康佳电磁炉作为现代厨房中常见的烹饪电器,其核心原理基于电磁感应现象,通过高频交变电流在线圈中产生磁场,使含铁质炊具底部产生涡流并发热,从而实现快速加热,相较于传统燃气灶,电磁炉具有热效率高、控温精准、安全环保等优势,但若使用不当或元件老化,也可能出现故障,本文将从工作原理入手,详细解析康佳电磁炉的结构组成、常见故障及维修方法,帮助用户了解其基本维修知识。

康佳电磁炉的工作原理
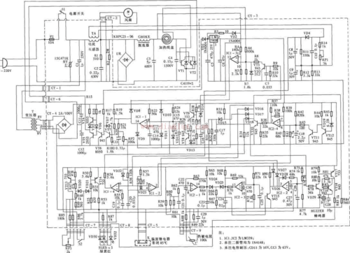
康佳电磁炉的工作原理可分为三个核心环节:交直流转换、高频逆变及电磁感应,市电220V交流电进入电磁炉后,通过整流桥堆(如GBU系列)转换为脉动直流电,再经大容量滤波电容(如400V/220μF)滤波,得到平滑的直流电,控制电路(以PWM脉宽调制芯片为核心,如MCU、SG3525等)产生高频驱动信号,驱动IGBT(绝缘栅双极型晶体管)进行高速开关动作(通常频率为20-40kHz),将直流电逆变为高频交流电,高频电流流过盘面底部的线圈盘(L),在周围空间产生交变磁场,当含铁质的锅具放置在线圈盘上时,磁力线穿过锅体底部,因电磁感应产生强大的涡流,涡流在锅体内部流动时,由于电阻的存在而产生焦耳热,从而加热锅具内的食物。
整个过程中,控制电路通过电流检测电阻(如康佳常用的0.01Ω/5W锰铜丝)和电压检测电路实时采集工作状态,由MCU分析后调整PWM信号的占空比,实现对功率、温度的精确控制,设有多种保护机制,如锅具检测(通过监控IGBT导通电流判断是否放置合适锅具)、过压保护、过流保护、过热保护(通过热敏电阻监测IGBT和炉面温度)等,确保使用安全。
康佳电磁炉的结构组成
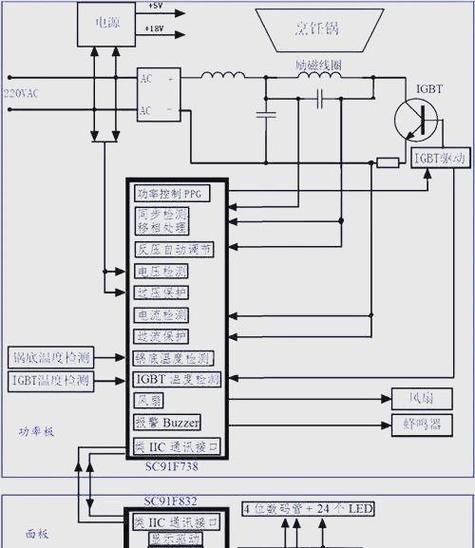
康佳电磁炉主要由电源模块、主回路、控制模块、保护模块及散热系统组成,各模块功能如下表所示:
| 模块名称 | 核心元件 | 主要功能 |
|---|---|---|
| 电源模块 | 整流桥堆、滤波电容、压敏电阻、保险管 | 将市电转换为直流电,并抑制浪涌电压、过电流,保障电路稳定供电。 |
| 主回路 | 线圈盘、IGBT、谐振电容 | 将直流电逆变为高频交流电,通过线圈盘产生交变磁场,实现电磁感应加热。 |
| 控制模块 | MCU芯片、驱动电路、PWM控制器 | 产生高频驱动信号,采集电流/电压/温度信号,实现功率调节和保护逻辑判断。 |
| 保护模块 | 电流检测电阻、热敏电阻、电压比较器 | 实时监测异常状态(如过压、过流、过热),触发保护机制(如停机、报警)。 |
| 散热系统 | 散热风扇、散热片、温度传感器 | 通过强制风冷带走IGBT和线圈盘产生的热量,防止元件因过热损坏。 |
康佳电磁炉常见故障及维修方法
故障现象:通电无反应,指示灯不亮
可能原因及维修步骤:

- 电源输入故障:检查保险管是否熔断(康佳常用10A/250V延时保险管),若熔断需排查后级短路点(如IGBT击穿、整流桥短路);若保险管完好,检查电源线是否断裂、插头是否接触不良。
- 低压电源故障:测量+18V或+5V电压是否正常(康佳部分机型采用变压器降压,部分采用开关电源),若电压异常,检查7818、7805三端稳压器及滤波电容是否损坏。
- MCU故障:若供电正常但MCU无输出信号,需更换MCU芯片(如常见的ST15F2025系列)。
故障现象:开机后报警“无锅”或“不加热”
可能原因及维修步骤:
- 锅具检测异常:确认使用的锅具是否为含铁质平底锅(直径≥8cm),若锅具正常,检查线圈盘下方锅具检测线圈(通常为几匝漆包线)是否开路或虚焊。
- IGBT或驱动电路故障:测量IGBT的G极驱动电压(正常为0-10V脉冲电压),若无驱动信号,检查驱动芯片(如TA8316S)是否供电正常;若驱动信号正常但IGBT不导通,需更换IGBT(常见型号如20N120C3)。
- 电流检测电路故障:检测电流检测电阻是否变值或开路,相关滤波电容是否失效,导致MCU误判为无锅状态。
故障现象:加热过程中频繁断电保护
可能原因及维修步骤:
- 散热不良:清理风扇及散热片油污,检查风扇是否运转正常(测量风扇电压为12V/0.1A),若风扇停转,更换同规格直流风扇;若风道堵塞,需改善散热环境。
- 温度传感器故障:检测IGBT或炉面热敏电阻(通常为NTC 100KΩ)是否阻值异常(如短路或开路),导致MCU误判过热。
- 谐振电容失效:若谐振电容(如5nF/1200V容量减小)性能下降,会导致IGBT过热,需用万用表或电容表检测容量是否正常。
故障现象:功率不足,加热慢
可能原因及维修步骤:
- 市电电压过低:用万用表测量输入电压,若低于180V,建议使用稳压器。
- PWM信号异常:用示波器测量MCU输出的PWM信号占空比是否可调(正常范围10%-90%),若占空比固定,检查MCU或相关外围元件。
- 线圈盘问题:线圈盘因长期使用可能出现匝间短路,导致电感量减小,加热功率下降,需用万用表电感档检测(正常约150-200μH),若异常需更换线圈盘。
维修注意事项
- 安全第一:维修前务必断开电源,对大容量电容放电(用100Ω/2W电阻短接引脚),避免触电或电容爆裂。
- 元件代换原则:更换元件时需注意参数匹配,如IGBT的耐压值(≥1200V)、电流值(≥20A),电容的耐压值(≥400V)及容量误差(±10%)。
- 故障排查顺序:遵循“先外后内、先电源后负载”的原则,优先检查易损件(如保险管、IGBT、风扇),再逐步深入控制电路。
- 专业维修建议:若涉及MCU程序或复杂驱动电路故障,建议联系康佳售后或专业维修人员,避免自行操作扩大故障。
相关问答FAQs
Q1:康佳电磁炉显示“E2”故障代码是什么意思?如何解决?
A:康佳电磁炉显示“E2”通常表示“炉面超温保护”,即热敏电阻检测到炉面温度超过220℃,可能原因包括:① 散热系统故障(风扇不转或风道堵塞);② 热敏电阻短路或阻值漂移;③ 炊具干烧导致温度异常,解决方法:首先清理风扇及散热片,确保通风良好;用万用表检测热敏电阻在室温下的阻值(正常为100KΩ左右),若异常需更换;检查锅具是否干烧,避免空烧使用。

Q2:康佳电磁炉开机后蜂鸣器响,所有按键失灵,如何处理?
A:此现象多为MCU复位电路或按键矩阵电路故障,首先检查复位电路(如常见的10μF复位电容是否漏电或失效),确保MCU复位引脚电压正常(低电平复位);若复位正常,检测按键矩阵电路(通常为8个按键并联在MCU与地之间),用万用表逐个按键对地阻值,若有按键短路(阻值为0Ω),需清理按键氧化层或更换面板;若按键正常,可能是MCU损坏,需更换同型号芯片。
