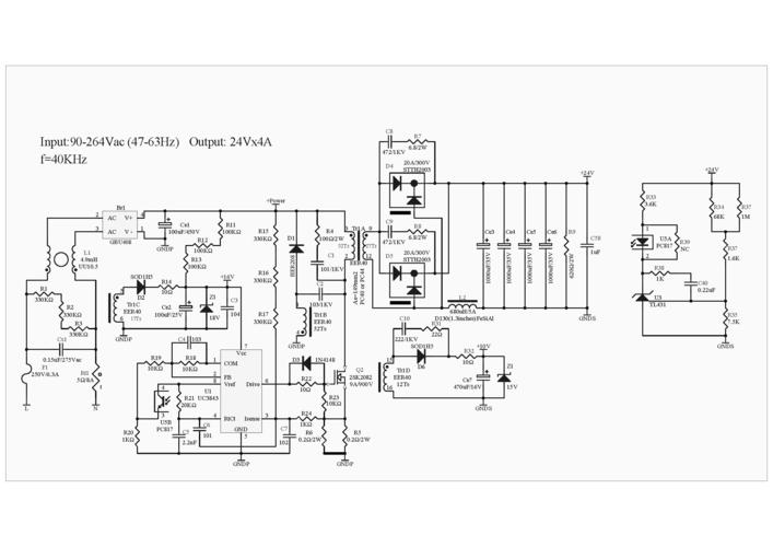
3843b应用电路维修是一项需要结合理论知识和实践经验的技术工作,该芯片作为电流模式PWM控制器,常用于开关电源、逆变器等电力电子设备中,其稳定运行对整个电路的性能至关重要,维修时需遵循系统化的排查思路,从基础检测到深入分析,逐步定位故障点,以下将详细阐述维修流程、常见故障点及处理方法,并结合实例说明操作要点。

维修前的准备工作与基础检测
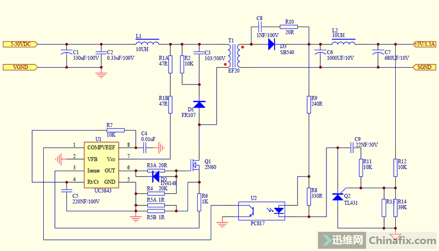
在开始维修3843b电路前,需先准备必要工具:万用表、示波器、隔离变压器、负载电阻及焊接设备等,安全是首要前提,务必确保设备断电后进行操作,高压部分需放电处理,基础检测包括:观察元件外观有无烧焦、鼓包、漏液等现象,检查PCB板有无虚焊、短路、断线等明显损坏,随后,用万用表测量输入电压是否正常,对于3843b的典型应用电路(如12V转5V开关电源),需确认输入直流电压在规定范围内(通常8-35V),若输入电压异常,需检查前级整流滤波电路,如保险丝、整流桥、滤波电容等是否损坏。
3843b关键引脚功能与检测重点
3843b有8个引脚,各引脚功能及检测方法如下表所示:
| 引脚 | 功能 | 正常电压范围(典型12V输入) | 常见故障现象及检测要点 |
|---|---|---|---|
| 1 | 误差放大器输出 | 1-2V | 若电压异常偏高(接近供电电压),可能反馈回路开路或光耦损坏;偏低则可能负载过重或芯片损坏。 |
| 2 | 反相输入端 | 5V(基准电压的1/2) | 电压偏离正常值需检查分压电阻是否变值、基准电压源(如TL431)是否工作正常。 |
| 3 | 电流检测输入 | <1V | 电压过高(>1V)表明过流保护动作,需检查开关管是否短路、电流检测电阻是否开路或变值。 |
| 4 | RT/CT定时 | 电压波动(约0.5-2V) | 无电压波动可能为定时电阻或电容损坏,导致无PWM输出,需测量RT、CT是否短路或开路。 |
| 5 | 接地 | 0V | 接地不良会导致整个电路工作异常,需检查接地是否牢固、有无虚焊。 |
| 6 | 输出端 | 脉冲波(占空比可调) | 若为恒定高电平或低电平,可能是芯片损坏、供电不足或驱动电路故障,需用示波器观察波形。 |
| 7 | 供电端 | 12-15V | 电压过低(<10V)可能导致芯片无法启动,需检查启动电阻、供电滤波电容是否漏电或失效。 |
| 8 | 基准电压输出 | 5V | 无5V输出则芯片完全失效,需更换芯片;若电压偏低,需检查滤波电容是否漏电。 |
常见故障排查流程与实例分析
开机无输出,保险丝熔断
此类故障通常表明电路存在严重短路,首先断开输入电源,用万用表二极管档测量输入端对地电阻,若阻值接近0Ω,需检查整流桥、滤波电容、开关管(如MOSFET或IGBT)是否击穿,若开关管损坏,需进一步检查驱动电路(如3843b第6脚外接的推挽电路)及反馈回路是否导致开关管过流损坏,某12V电源开机烧保险,经检测发现开关管DS极短路,更换后再次烧毁,检查发现3843b第6脚对地短路,更换芯片后恢复正常。
输出电压偏低且波动大
可能原因包括:负载过重、反馈回路异常、供电不足或芯片振荡频率异常,首先断开负载,测量空载输出电压,若恢复正常,则检查负载电路;若仍偏低,需测量3843b各引脚电压,重点检查第2脚反馈电压和第7脚供电电压,某5V电源输出仅3V,测量第2脚电压为1.5V(正常应为2.5V),检查分压电阻发现其中一个阻值变大,更换后输出恢复正常,若第4脚外接定时电容漏电,会导致振荡频率异常,输出电压波动,需更换电容。

输出电压不稳定,偶发性重启
此类故障多由元件性能下降或接触不良引起,需检查供电滤波电容是否老化(容值减小),导致供电电压波动;检查3843b第8脚基准电压滤波电容是否漏电;排查PCB板虚焊点,特别是开关管、变压器引脚等大电流位置,某设备在负载增大时重启,测量发现第7脚供电电压在负载波动时从12V降至9V,更换滤波电容后问题解决。
维修注意事项与技巧
- 代换原则:3843b损坏后,需用同型号或直接代换型号(如UC3843、KA3843)更换,注意工作温度、封装等参数一致。
- 驱动电路检查:若3843b第6脚输出正常但开关管不工作,需检查驱动三极管、限流电阻是否损坏,以及变压器初级绕组是否开路。
- 保护电路测试:过流保护(第3脚)、过压保护(反馈回路)动作后,需先排除故障根源再复位,避免反复损坏元件。
- 示波器使用:测量PWM波形时,需使用差分探头或隔离变压器,避免示波器地线短路电路中的高压部分。
相关问答FAQs
Q1:3843b电路输出电压纹波过大,可能的原因有哪些?如何排查?
A:输出电压纹波过大通常与滤波电路、反馈回路或开关频率异常有关,排查步骤:①检查输出滤波电容是否失效(用万用表测容值或替换法验证);②测量3843b第4脚锯齿波波形,若频率偏低或波形畸变,需检查定时电阻、电容是否变值;③检查反馈回路光耦及TL431工作是否稳定,若光耦电流不足会导致调节滞后;④排查变压器漏感是否过大,可增加RCD缓冲电路抑制振荡。
Q2:维修时发现3843b第7脚供电电压低于启动阈值(10V),但启动电阻和滤波电容正常,可能是什么问题?
A:若启动电阻和滤波电容正常,第7脚电压仍偏低,可能原因有:①输入电压本身不足,需测量前级整流输出电压;②3843b内部启动电流过大或芯片部分损坏,导致启动电阻压降过大,可测量启动电阻两端电压,若压降过大则需更换芯片;③供电回路存在漏电点,如滤波电容漏电、稳压二极管(若有)击穿等,需逐个断开相关元件排查。

