晟辉智能制造

  • 创维42E5ERS电源维修故障何在?

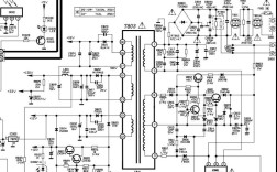
    创维42E5ERS电源维修故障何在?

    电源板简介与工作原理这款电源板属于PFC+LLC谐振+次级同步整流的高效电源,它主要产生以下几路电压:PFC输出电压:约+380V,这是PFC电路Boost升压后的直流电压,为后级的LLC谐振电路供电,+24V电压:为主板、背光...

    2025-11-27
    6 0 0
  • 长治西门子200PLC维修哪家靠谱?

    长治西门子200PLC维修哪家靠谱?

    西门子S7-200PLC维修概述西门子S7-200系列是经典的PLC产品,虽然现在主推S7-1200/1500,但在许多老设备、自动化生产线中仍在广泛使用,其维修通常分为板级维修和芯片级维修,板级维修:更换模块上的可更换部件,如电源模块、...

    2025-11-27
    7 0 0
  • 32E510E如何进入维修模式?

    32E510E如何进入维修模式?

    进入维修模式存在一定风险,非专业人员请勿随意修改里面的参数,否则可能导致电视无法正常显示或工作,此操作仅供具备相关技术知识的专业维修人员参考,使用遥控器(最常用)这是进入维修模式最标准的方法,适用于大多数TCL及贴牌机型,准备工作:确保电...

    2025-11-27
    7 0 0
  • lc-37t25不开机故障如何维修?

    lc-37t25不开机故障如何维修?

    重要安全提示在进行任何检查之前,请务必:断开电源:将电视插头从插座上拔下,等待放电:对于老式电视,内部的大电容可能存有高压电,断电后,请等待至少10-15分钟,让其充分放电,使用绝缘工具:使用带绝缘手柄的螺丝刀和万用表,注意高压:电源板和背...

    2025-11-27
    5 0 0
  • TCL空调E6故障怎么修?

    TCL空调E6故障怎么修?

    维修E6故障需要遵循“由简到繁,由外到内”的原则,您可以按照以下步骤进行排查和处理,如果您不熟悉电器维修,强烈建议联系TCL官方售后服务或专业维修人员,以确保安全并避免造成更大的损坏,第一步:安全第一!断电检查在进行任何操作之前,请务必拔掉...

    2025-11-27
    7 0 0
  • 海尔LE42A800D维修故障如何排查?

    海尔LE42A800D维修故障如何排查?

    这款电视是海尔在2012-2013年左右推出的一款智能3DLED电视,采用了当时流行的“窄边框”设计和安卓智能系统,由于使用年限较长,现在出现故障的概率确实比较高,维修前的准备工作在开始拆机之前,请务必做好以下准备,以确保安全和效率:安...

    2025-11-27
    6 0 0
  • 创维42E350E主板故障维修关键点在哪?

    创维42E350E主板故障维修关键点在哪?

    安全第一!维修前的准备工作在开始任何维修操作之前,请务必遵守以下安全准则:断电操作:务必将电视电源线拔下,并等待至少5-10分钟,让主板上的大容量电容(如电源部分的400V大电容)充分放电,即使断电后,这些电容中仍可能储存有足以造成...

    2025-11-27
    5 0 0
  • 创维50E200E维修手册哪里找?

    创维50E200E维修手册哪里找?

    创维官方通常不会公开其详细的内部电路图和维修手册,以保护其技术秘密,这份手册是基于该型号电视的公开技术规格、通用维修流程、常见故障分析以及维修经验整理而成,适用于具备一定电子维修基础的技术人员,创维50E200E维修手册(核心内容)...

    2025-11-27
    6 0 0
  • 乐华25V15保护电路维修,故障原因何在?

    乐华25V15保护电路维修,故障原因何在?

    保护电路的核心作用首先要明白,保护电路的作用是“防止故障扩大”,当电视检测到某个关键部件(如电源、灯条、主板、逆变器)出现异常时,它会强制关闭或停止工作,以避免引发更严重的损坏(如烧毁电源板、炸管等),常见的保护类型有:过压保护过流保护欠压...

    2025-11-27
    7 0 0
  • 青岛变频器维修哪家好?

    青岛变频器维修哪家好?

    核心选择方向在青岛,您可以从以下几个主要渠道来寻找和选择ABB变频器维修服务商:官方授权服务中心(最推荐)专业的第三方变频器维修公司设备原厂售后服务部门个人维修技师官方授权服务中心(首选,质量最有保障)这是最可靠的选择,尤其对于高价值、关键...

    2025-11-27
    6 0 0