atx电源待机电压维修是电脑维修中常见且重要的技术环节,待机电压(通常为+5VSB)是ATX电源在未开机状态下为主板部分电路(如开机电路、USB供电、网络唤醒功能等)提供的工作电压,若其异常将直接导致电脑无法开机、USB设备无法供电或无法实现远程唤醒等问题,以下从待机电压的作用、工作原理、常见故障现象、检修步骤及注意事项等方面进行详细说明。

待机电压的作用与工作原理
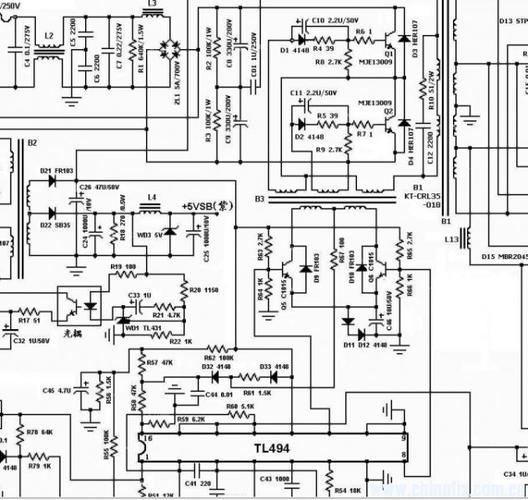
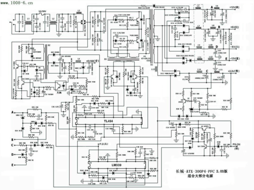
ATX电源的待机电压由辅助电源电路产生,该电路在电源接入市电后即开始工作,独立于主电源电路,其核心作用是为主板上的电源管理单元(PMU)或开机电路提供持续稳定的+5V电压,用户通过短接主板上的电源开关针脚(如PW_SW)触发主电源启动,此时主变压器开始工作,输出+3.3V、+5V、+12V等主要电压,而待机电压在整个电脑运行过程中始终保持输出。
待机电压电路通常包含市电输入滤波、整流、高压滤波、启动电路、开关振荡电路、变压器、低压整流滤波及稳压反馈等部分,启动电路负责给开关管提供初始偏置,使其开始振荡;稳压反馈电路通过采样+5VSB电压,调整开关管的导通时间,确保输出电压稳定;保护电路则包含过压、过流、欠压等保护功能,在异常时切断输出。
常见故障现象与原因分析
当待机电压异常时,主要表现为以下现象,其对应原因也各不相同:
| 故障现象 | 可能原因 |
|---|---|
| 电脑完全无法开机,指示灯不亮 | 市电输入问题(如电源线损坏、插座无电);2. 辅助电源电路故障(如保险丝熔断、启动电阻开路);3. 开关管击穿;4. PWM控制器损坏(如TL431、UC3842等)。 |
| 待机电压偏高(超过5.5V) | 稳压反馈电路异常(如光耦PC817损坏、误差放大器TL431性能不良);2. 采样电阻阻值变化;3. 滤波电容失效(导致电压纹波过大,测量值偏高)。 |
| 待机电压偏低(低于4.75V) | 辅助电源负载过重(如主板待机电路短路);2. 整流二极管压降增大(如肖特基二极管老化);3. 滤波电容容量下降(导致带载能力不足);4. 供电线路接触不良。 |
| 待机电压不稳定,波动明显 | 滤波电容性能不良(ESR增大);2. 稳压反馈电路元器件虚焊;3. 开关管性能不良;4. PWM控制器供电不稳定。 |
检修步骤与操作要点
检修待机电压故障时,需遵循“先断电、后检测,先易后难,先供电后负载”的原则,具体步骤如下:

安全准备与初步检查
- 断电与放电:断开电源与市电的连接,短接电源主板接口上的绿色线(PS_ON)与任意黑色线(GND),放电10秒以上,释放内部电容存储的电荷。
- 目测检查:打开电源外壳,观察保险丝是否熔断(若熔断需查明短路原因后再更换)、元器件是否有烧黑、爆裂、虚焊现象,高压滤波电容是否鼓包漏液。
- 市电输入检测:用万用表电阻档测量电源输入端(L、N)与地线(PE)之间的电阻,正常应有数百千欧以上阻值,若阻值接近0,说明输入电路存在短路。
辅助电源电路关键点检测
- 保险丝与整流桥:若保险丝熔断,需检查整流桥(全桥或半桥)、高压滤波电容、开关管是否击穿,用万用表二极管档测量整流桥正反向电阻,正常时应正向导通、反向截止;开关管(多为MOSFET)的D-S极、G-S极之间应无短路。
- 启动电路:辅助电源启动电路通常由大功率电阻(如100-200kΩ/2W)从高压端为PWM控制器提供启动电压,测量启动电阻两端是否开路,PWM控制器(如UC3842)的7脚(VCC)在通电瞬间应有10-17V电压(若电压为0,可能是启动电阻开路或控制器损坏)。
- 开关振荡与变压器:若PWM控制器供电正常,但变压器次级无输出,需检查开关管是否振荡(可用示波器测量D极波形,应有高频脉冲波),或变压器初级绕组是否开路。
- 低压整流与滤波:测量次级整流二极管(如肖特基二极管)两端压降,正常应小于0.5V;滤波电容(多为1000-2200μF/16V)容量是否下降(可用电容表或替换法检测)。
稳压反馈电路检测
- 误差放大与光耦:测量误差放大器TL431的参考端(Ref)电压,正常应为2.5V,若异常则检查外围分压电阻;光耦PC817的1-2脚(发光侧)应有1-2V电压,3-4脚(接收侧)在正常输出时应导通(压降约0.7-1.2V)。
- 采样电阻:检查+5VSB输出端的采样电阻(通常为1-2kΩ/1W)是否阻值变大或开路,该电阻用于分压反馈至TL431。
负载检测
若待机电压空载正常,接入主板后电压下降,需检查主板待机电路是否存在短路,可断开主板与电源的连接,在电源+5VSB输出端接假负载(如10Ω/5W电阻),测量电压是否恢复正常,若正常则为主板故障。
维修注意事项
- 高压危险:电源内部高压部分(如整流后300V直流电)在断电后仍可能存储电荷,检修时务必放电,避免触电。
- 元器件替换:更换保险丝、开关管、整流桥等元器件时,需选用同型号、同参数的元件,特别是开关管的耐压值(如耐压500V以上)和功率。
- 防静电措施:CMOS芯片(如PWM控制器)易受静电损坏,维修时需佩戴防静电手环。
- 保护电路功能:部分电源在保护电路触发后会锁定,需解除锁定(如断电重启)后再通电检测。
相关问答FAQs
Q1:为什么待机电压正常,但按电源键后电脑无法启动?
A:待机电压正常仅说明辅助电源电路工作正常,无法启动可能涉及主电源电路故障,需检查主电源的PS_ON信号(绿色线)是否被主板正确拉低(按下电源键时应为低电平),主开关管(如MOSFET)是否振荡,主变压器次级整流滤波电路(如+12V、+5V输出)是否存在短路或开路,以及PWM控制器(如UC3842)的供电及驱动信号是否正常,主板电源管理芯片故障也可能导致无法触发主电源启动。
Q2:维修时发现待机电压偏低,但断开主板后电压恢复正常,如何判断是电源还是主板问题?
A:若断开主板后待机电压恢复正常,说明电源本身无故障,问题出在主板待机电路,可重点检查主板上的+5VSB负载电路,如USB供电芯片、网络唤醒(WoL)电路、BIOS芯片供电电路等是否存在短路或漏电,用万用表二极管档测量主板+5VSB供电线路对地是否有短路,或逐个断开负载模块(如拔掉USB扩展卡、网卡等),观察电压是否恢复,定位故障元器件后进行更换或修复。

