海信彩电行输出电路维修是电视维修中的核心环节,行输出电路负责为显像管提供高压、加速极电压及聚焦电压,同时为其他电路提供工作电压,其故障率较高且维修难度较大,维修时需遵循“先安全后检测、先静态后动态、先电源后负载”的原则,结合电路原理与故障现象逐步排查。

行输出电路的结构与工作原理
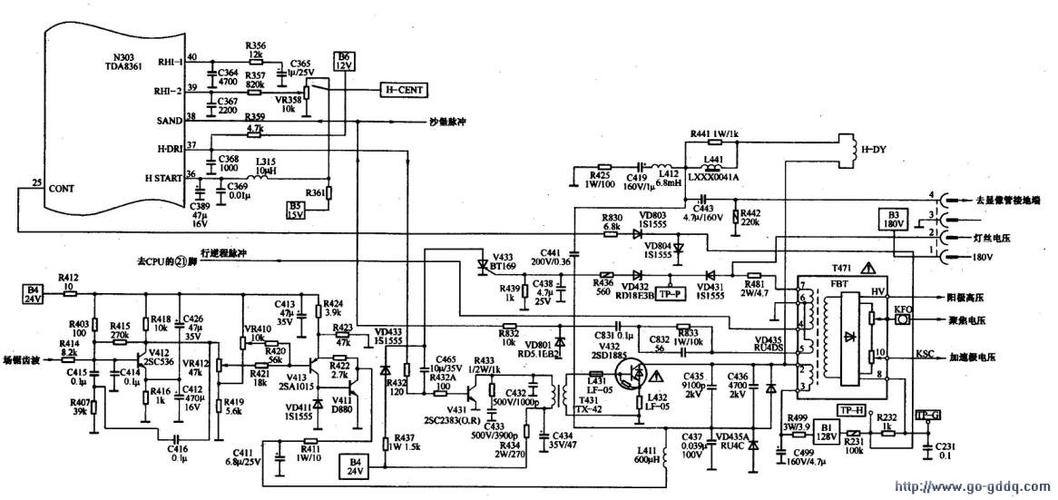
海信彩电行输出电路主要由行输出管(Q401)、行逆程电容(C440)、行偏转线圈(H.DY)、行线性电感(L401)、行阻尼二极管(D401)、行回扫变压器(FBT,俗称“高压包”)及外围元件组成,其工作流程为:行振荡电路产生的行频脉冲信号经行推动电路放大后,驱动行输出管工作,行输出管在脉冲信号作用下导通与截止,通过逆程电容与偏转线圈的相互作用,产生锯齿波电流驱动偏行扫描,同时利用逆程脉冲经FBT升压后,为显像管提供所需的高压、中压及低压电源。
常见故障现象与原因分析
-
无光栅、无声音
- 原因:行输出电路未工作,可能为行输出管击穿、行推动变压器开路、FBT内部短路或保险丝熔断。
- 检测:用万用表测行输出管集电极电压,正常时为+B电压(如115V),若为0V则检查电源;若电压正常但无光栅,需测行输出管be结电压,正常时为0.7V,若为0V则检查行推动电路。
-
光栅水平一条亮线
- 原因:场扫描电路正常,行扫描未工作,可能为行偏转线圈开路、行线性电感虚焊或FBT高压输出异常。
- 检测:测行偏转线圈两端电阻,正常时应为几欧姆;若阻值无穷大,则更换偏转线圈。
-
光栅亮度异常或图像扭曲
(图片来源网络,侵删)- 原因:加速极电压或聚焦电压异常,可能为FBT内部故障或逆程电容变质。
- 检测:用高压表测FBT阳极高压,正常值为25kV左右;若电压偏低,可逆程电容是否失效。
关键检测步骤与维修方法
- 安全防护:断电后对主滤波电容(如C407)放电,避免电容残留电压损坏元件或触电。
- 静态检测:
- 测行输出管(如2SC5148)各极电阻:红表笔接b极,黑表笔接e极,正向阻值约5kΩ,反向阻值约50kΩ;c极与e极正向阻值约10Ω,反向阻值应为无穷大。
- 检查FBT初级绕组阻值,正常时为几欧姆,若阻值过大或过小,说明内部短路或开路。
- 动态检测:通电后测行输出管c极电压,正常时为+B电压(如115V),若电压偏低,可测行推动管集电极电压,正常时为脉冲电压(约0.5-1V)。
- 元件更换:更换行输出管时需注意型号参数(如耐压、电流),更换FBT后需聚焦电压加速极电压,确保光栅正常。
维修注意事项
- 行输出管工作时电流较大,需检查散热片是否安装牢固,避免因过热再次击穿。
- 逆程电容(C440)容量减小会导致高压升高,可能损坏FBT或显像管,需用数字电容表测量实际容量。
- 若多次烧毁行输出管,需检查行推动电路是否正常,避免行激励不足导致行输出管工作在放大区而损坏。
相关问答FAQs
Q1:海信彩电开机后“三无”,保险丝熔断,如何判断故障点?
A:保险丝熔断说明存在短路故障,首先断开行输出电路,测+B电压对地电阻,正常时应大于10kΩ,若仍短路,检查电源部分;若恢复正常,则为行输出电路故障,重点检查行输出管是否击穿、FBT是否短路。
Q2:行输出管发热严重但未击穿,是什么原因?
A:行输出管发热严重通常是由于负载过重或激励不足,需检查行逆程电容是否失效(容量减小导致行电流增大)、行偏转线圈是否局部短路,以及行推动变压器是否输出脉冲幅度不足,可更换逆程电容后观察,若仍发热,需进一步检测行推动电路。

