m51995afp维修涉及对该型号电源管理集成电路(PMIC)的故障诊断、定位及修复过程,需结合其功能特性、典型应用电路及常见失效模式展开,以下从基础原理、故障排查、维修步骤、注意事项及案例参考等方面详细说明。

m51995afp基础功能与失效特点
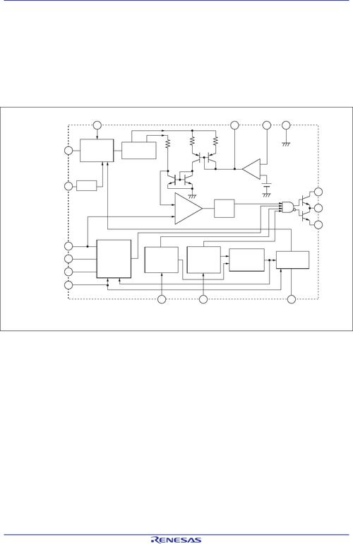
m51995afp是安森美半导体推出的多路输出电源管理芯片,广泛应用于显示器、电视等设备的电源板,主要用于主电源、待机电源及背光驱动等电路的控制,其内部集成PWM控制器、过压/过流/过热保护、软启动等功能,支持多路电压输出(如5V、12V、24V等),常见失效场景包括:外部元件损坏(如电容、二极管、mosfet)、供电异常、反馈回路故障、负载短路等,表现为无输出、输出电压不稳、保护电路误触发等。
维修前的准备工作
- 工具与设备:数字万用表(带二极管档、电容档)、示波器、可调直流电源、电烙铁(建议恒温烙铁,温度300-350℃)、吸锡器、热风枪、放大镜、酒精、清洁棉等。
- 安全防护:断电后等待电容充分放电(尤其是大容量滤波电容),避免残留电压损坏元件或触电;佩戴防静电手环,防止静电击穿芯片。
- 资料准备:查阅m51995afp的数据手册(Datasheet),重点确认引脚定义、电气参数、典型应用电路及保护阈值。
故障排查流程与维修步骤
外观检查与初步测量
- 目视检查:观察PCB板是否有明显烧焦、鼓包、元件断裂、虚焊或漏液现象,重点检查mosfet、整流桥、滤波电容(尤其是大容量电解电容)等易损元件。
- 电阻测量:
- 断开电源,测量m51995afp的VCC(供电引脚,如第16脚)对地电阻,正常值应为数百欧姆(正向),若接近0Ω,可能存在VCC端短路(如滤波电容击穿、芯片内部损坏)。
- 测量各路输出端对地电阻,判断是否负载短路(如背光电路短路会导致输出端电阻偏低)。
供电电路检查
m51995afp需稳定的供电(通常为12-18V)才能工作,供电异常是常见故障原因。
- VCC供电路径:检查交流输入→整流桥→滤波电容→VCC供电电阻(如限流电阻)→VCC引脚的电压是否正常,若VCC电压为0,需排查整流桥是否开路、滤波电容是否失效、限流电阻是否烧断。
- 启动电路:部分电路需外部启动电阻(如连接到高压端的电阻)为VCC充电,若启动电阻开路,芯片无法启动。
关键引脚功能检测
根据数据手册,重点检测以下引脚:
| 引脚号 | 功能 | 正常状态(典型值) | 异常表现及原因 |
|--------|--------------|--------------------|------------------------------|
| 1 | FB1(反馈1) | 0.8V(参考电压) | 电压异常→反馈回路元件损坏(如光耦、稳压管) |
| 8 | GDRV(驱动输出) | PWM脉冲波形 | 无波形→驱动电路故障(如上mosfet开路) |
| 16 | VCC | 12-18V | 电压波动或为0→供电不稳定或电容失效 |
| 10 | OC/OVP(过流/过压检测) | 分压电阻电压正常 | 电压过高→保护电路误触发(如分压电阻变质) |
输出与反馈回路检查
- 输出电压异常:
- 若某路输出电压为0,检查对应mosfet是否击穿、驱动电阻是否开路、电感是否断路。
- 若输出电压偏低,可能是负载过重(如短路)、反馈回路电阻漂移或滤波电容失效(ESR增大)。
- 反馈回路:m51995afp通常采用光耦反馈(如PC817)稳压,检测光耦是否导通(发光二极管端正向压降1-1.2V,三极管端C-E压降<0.3V)、稳压误差放大器(如TL431)是否正常。
保护电路排查
若芯片处于保护状态(如无输出),需判断是故障保护还是误触发:

- 过压保护(OVP):断开负载,测量输出端电压是否正常,若仍过高,检查分压电阻是否变值、稳压管是否击穿。
- 过流保护(OCP):断开负载,若输出恢复正常,说明负载短路;若仍异常,检查电流检测电阻(如mosfet源极小阻值电阻)是否开路或变质。
维修注意事项
- 元件代换:更换元件时需参数匹配,如mosfet的耐压、电流值需高于原规格;电解电容需同容量、同耐压、低ESR型号;电阻需同功率、同阻值(误差±1%)。
- 焊接技巧:m51995afp为贴片芯片(如QFN-24封装),建议使用热风枪焊接(温度280-320℃,风速中档),避免长时间加热导致PCB板损坏;焊接后需用放大镜检查引脚是否虚焊、连锡。
- 动态测试:修复后需加电测试,但建议先通过可调直流电源供电(电压从0缓慢调至正常值),监测输出电压及电流是否稳定,避免二次损坏。
维修案例参考
故障现象:某显示器电源板使用m51995afp,通电后无+12V输出,指示灯不亮。
排查过程:
- 断电测量VCC引脚对地电阻,正常(约500Ω),排除芯片短路。
- 通电测量VCC电压为0V,检查整流桥输出(滤波电容两端)电压为300V(正常),发现限流电阻(R1,10Ω/2W)开路。
- 更换限流电阻后,VCC电压恢复至15V,但+12V输出仍为0。
- 检测GDRV引脚,无PWM波形,进一步测量mosfet(Q1)的G极电压为0V,发现驱动电阻(R2,10Ω)开路。
- 更换R2后,输出+12V正常,故障排除。
相关问答FAQs
Q1:m51995afp通电后VCC电压波动,可能的原因有哪些?
A:VCC电压波动通常由供电不稳定或滤波不良导致,常见原因包括:①滤波电容(如电解电容)失效(ESR增大或容量下降),需用万用表电容档检测或更换同规格电容;②VCC供电线路存在虚焊,需重新焊接相关焊点;③负载过重(如芯片内部部分电路短路),可断开负载后测量VCC电压判断;④启动电路振荡频率异常,检查外部振荡电阻和电容是否参数漂移。
Q2:维修时发现m51995afp某路输出电压偏高,且无法通过反馈回路调整,如何处理?
A:输出电压偏高且反馈无效,需分两步排查:①首先断开负载,若电压恢复正常,说明负载存在过载或短路(如背光电路短路),需修复负载电路;②若断开负载后电压仍偏高,检查反馈回路:检测光耦是否导通(光耦发光二极管端电流是否正常,通常为5-10mA)、稳压误差放大器(如TL431)的参考端是否稳定(正常参考电压2.5V),若TL431损坏,需更换同型号芯片;最后检查分压电阻(如连接输出端与FB引脚的电阻)是否变值,确保分压比符合输出电压要求(如输出12V时,分压电阻应使FB引脚电压为0.8V)。
