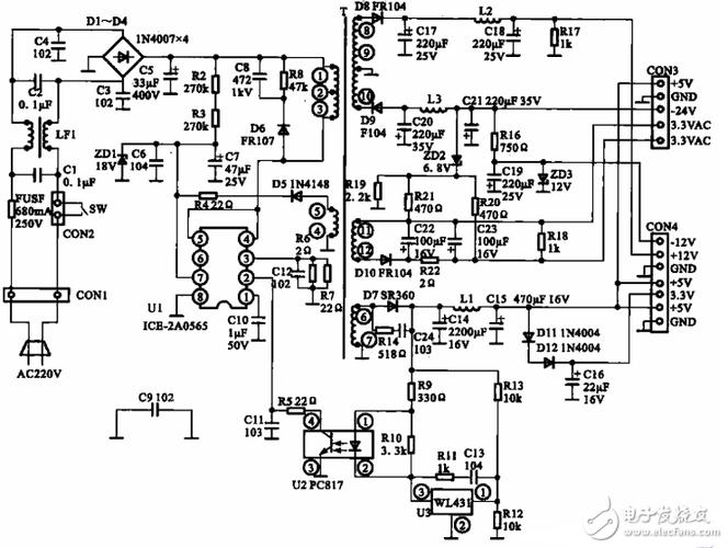
移动DVD充电电路维修是一项需要细致操作和专业知识的工作,通常涉及电源输入、转换、保护及电池管理等多个环节,维修前需先了解充电电路的基本结构,常见故障包括无法充电、充电缓慢、充电指示灯异常等,需通过逐步排查确定故障点,以下是维修过程中的关键步骤和注意事项:

应检查电源适配器是否正常工作,电源适配器作为充电电路的输入端,若损坏会导致整个充电系统失效,可用万用表测量其输出电压,若电压偏离标称值过多或无输出,则需更换适配器,若适配器正常,再检查充电接口是否松动、氧化或接触不良,可用酒精棉片清洁接口或尝试插拔几次观察是否有改善,需拆开移动DVD外壳,露出充电电路板,重点检查充电管理芯片、滤波电容、二极管、电阻等元件是否有明显烧焦、鼓包或虚焊现象,充电管理芯片是核心部件,若其损坏可能导致无法充电或过充保护失效,需通过查阅芯片型号的 datasheet 确认引脚功能,用万用表测量各引脚电压是否与正常值一致,若偏差较大,则需更换芯片。
充电电路中的滤波电容主要用于稳定电压和滤除杂波,若电容鼓包或漏液,会导致电压不稳定,进而引发充电故障,可用万用表的电容档测量电容容量,若容量远低于标称值或短路,需更换同型号电容,二极管具有单向导电性,若击穿或开路,会影响电流的正常传输,可用二极管档测量其正向压降和反向电阻,正常时正向压降约为0.5-0.7V(硅管),反向电阻应接近无穷大,否则需更换,还需检查限流电阻和分压电阻是否变值,电阻变值会导致充电电流或电压异常,可用万用表电阻档测量其阻值,与标称值对比,误差超过5%需更换。
电池本身的问题也可能导致充电异常,若电池老化、内部短路或保护板故障,即使充电电路正常也无法正常充电,此时需将电池拆下,用万用表测量电池电压,若电压过低(如低于3V)或无电压,可能是电池已损坏,需更换电池,若电池电压正常,但充电时仍无反应,则需检查电池与电路板的连接线是否断裂或接触不良,可用万用表通断档测量线路导通情况。
在维修过程中,需注意静电防护,避免人体静电损坏芯片,焊接时使用恒温烙铁,温度控制在300-350℃之间,焊接时间不宜过长,以免损坏电路板或元件,更换元件时,需确保型号、参数一致,尤其是电容的耐压值和芯片的封装类型,否则可能导致新的故障,维修完成后,需测试充电功能,观察充电指示灯是否正常亮起,用万用表监测充电电流和电压,确保符合电池充电要求,同时检查是否有过热、异味等异常现象,避免安全隐患。

以下为充电电路常见元件故障及检测方法总结:
| 元件类型 | 常见故障现象 | 检测方法 | 处理措施 |
|---|---|---|---|
| 电源适配器 | 无输出、电压异常 | 万用表测量输出电压 | 更换适配器 |
| 充电接口 | 接触不良、松动 | 目视检查、清洁后测试 | 清洁或更换接口 |
| 充电管理芯片 | 引脚电压异常、发热 | 测量各引脚电压对比 datasheet | 更换芯片 |
| 滤波电容 | 鼓包、漏液、容量下降 | 万用表电容档测量容量 | 更换同型号电容 |
| 二极管 | 击穿、开路 | 二极管档测量正向压降和反向电阻 | 更换二极管 |
| 电阻 | 变值、烧毁 | 万用表电阻档测量阻值 | 更换同阻值电阻 |
| 电池 | 电压过低、内部短路 | 测量电池电压、内阻 | 更换电池 |
相关问答FAQs:
-
问:移动DVD充电时指示灯亮但充不进电,可能是什么原因?
答:此类故障通常由以下原因导致:一是电池老化或损坏,需测量电池电压判断是否需更换;二是充电管理芯片异常,导致充电控制失效,需检测芯片引脚电压是否正常;三是充电线路中存在虚焊或断路,需检查电路板连接线路是否导通;四是二极管或电容损坏,影响电流传输,需逐一检测并更换损坏元件。 -
问:维修移动DVD充电电路时需要注意哪些安全事项?
答:维修时需注意以下安全事项:确保设备断电,避免触电风险;佩戴防静电手环,防止静电击穿芯片;焊接时使用恒温烙铁,避免高温损坏电路板;更换元件时确保型号参数一致,尤其是电容耐压值和芯片封装;维修后需测试充电功能,观察是否有过热、异味等异常,确保设备安全使用;若不具备专业维修技能,建议寻求专业人员处理,避免扩大故障。
(图片来源网络,侵删)
