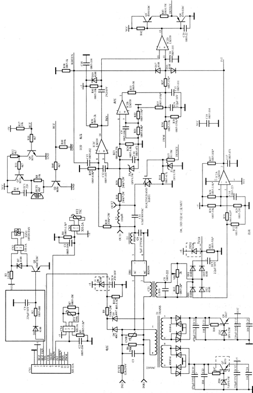
第一部分:电磁炉工作原理及核心电路图
要维修电磁炉,首先要理解它的工作原理,电磁炉本质上是一个将50Hz/60Hz的工频交流电转换为高频(通常为20-40kHz)交流电,利用这个高频电流通过线圈盘产生高频交变磁场,在含铁质锅底中产生涡流,涡流的热效应(焦耳热)来加热食物。

核心工作流程
- 输入与滤波:市电(220V AC)进入,经过一个由互感滤波器(扼流圈)和电容组成的LC滤波电路,滤除电网中的高频干扰,同时也防止电磁炉自身产生的高频电流污染电网。
- 整流与滤波:滤波后的交流电经过桥式整流电路(通常由4个二极管或一个整流桥堆组成)转换成脉动的直流电,再由一个大容量的滤波电容(通常是几个微法拉,耐压400V以上)进行平滑,变成约310V的稳定直流电。
- 功率转换(核心部分):
- IGBT驱动:这是电磁炉的心脏,一个IGBT(绝缘栅双极型晶体管)作为高速开关,串联在高压直流回路和线圈盘之间。
- PWM控制:单片机(MCU)根据用户设定的功率和锅具检测信号,产生一个脉宽调制信号,这个信号经过驱动电路(如TA8316S、BA9741等芯片)进行放大,去控制IGBT的导通和关断。
- 高频振荡:IGBT以极高的频率(20-40kHz)快速开关,将310V的直流电“斩”成高频的方波电流,送入线圈盘(L),线圈盘与并联的谐振电容(C)构成一个LC振荡电路,产生高频交变磁场。
- 锅具检测与保护:
- 电流检测:通过一个电流互感器实时检测主回路的电流大小,从而判断锅具的材质、大小以及当前功率。
- 电压检测:通过电阻分压检测电网电压,以适应不同的电压环境。
- 温度检测:在IGBT上和炉面下方都装有热敏电阻(NTC或RT),用于检测温度,防止过热。
- 控制与显示:单片机(MCU)是电磁炉的大脑,它接收来自面板的指令、锅具检测信号、温度信号等,根据预设程序控制PWM信号的输出,实现功率调节、定时、保护等功能,并驱动数码管或显示屏显示工作状态。
核心电路图(简化版)
下面是一个简化的电磁炉原理框图,可以帮助你理解各个模块之间的关系。
主要模块详解:
-
电源电路:
- 低压电源:为MCU、驱动芯片、风扇等提供工作电压(通常为+5V, +12V, +18V),它通过一个小的变压器将220V降压,再经过整流、滤波和稳压(如7805三端稳压器)得到。
- 高压电源:就是前面提到的LC滤波、桥式整流和主滤波电容,为功率转换电路提供约310V的直流电。
-
同步与振荡电路:
(图片来源网络,侵删)这个电路(通常由电阻、电容组成)负责检测线圈盘两端的电压波形,并产生一个与谐振频率同步的信号送给MCU和驱动芯片,确保IGBT在最佳时机开关,效率最高。
-
驱动电路:
接收MCU的PWM信号,进行功率放大,提供足够的电流和电压来驱动IGBT的栅极,这是故障高发区。
-
IGBT及功率输出电路:
(图片来源网络,侵删)- IGBT:核心开关元件。
- 线圈盘:加热元件。
- 谐振电容:与线圈盘LC谐振。
- IGBT的C-E极两端通常并联一个RC缓冲电路(或一个二极管),用于吸收IGBT关断时线圈盘产生的反向高压尖峰,保护IGBT不被击穿,这个电路也是故障点之一。
-
保护电路:
- 电流检测:电流互感器次级输出的信号经过整流、滤波后送给MCU,用于过载、短路、无锅保护。
- 电压检测:高压直流分压后送给MCU,用于过压、欠压保护。
- 温度检测:热敏电阻的阻值变化通过分压电路送给MCU,用于过热保护。
第二部分:电磁炉维修方法与流程
维修电磁炉,遵循“先外后内、先易后难、先电源后负载”的原则。
第一步:安全准备与初步检查
- 断电:务必拔掉电源插头。
- 放电:用一个大功率电阻(如1kΩ/5W)的表笔去触碰主滤波电容(C1)的两个引脚,将其存储的电量放掉,防止电击。
- 目视检查:
- 保险丝:检查保险丝(通常在电源输入端)是否熔断,如果熔断,说明后面电路存在严重短路。
- 大电容:检查主滤波电容是否有鼓包、漏液现象。
- IGBT:检查IGBT是否有裂痕、炸裂。
- 电阻:检查几个关键电阻,如电流检测电阻(通常为锰铜丝,阻值很小,毫欧级)、驱动电路的限流电阻等是否烧黑、开路。
- 接线端子:检查接线端子是否松动、氧化。
第二步:故障分类与排查
故障现象一:通电无反应,指示灯不亮
- 原因:电源电路未工作。
- 排查步骤:
- 查保险丝:如果保险丝熔断,说明存在短路,重点检查IGBT、整流桥堆、主滤波电容是否击穿短路。
- 保险丝未断:
- 检查低压电源电路,通电(此时手不要离开电源插头,做好随时断电准备),测量+5V、+12V、+18V等电压是否正常。
- 如果低压电源无输出,检查变压器、整流二极管、滤波电容、稳压芯片(如7805)及其外围电路。
- 如果低压电源正常,检查MCU的供电、复位、晶振电路是否正常,晶振停振会导致MCU不工作。
故障现象二:报警(如E0/E1,通常是无锅或锅具不符)
- 原因:锅具检测电路工作异常。
- 排查步骤:
- 换锅测试:先换一个标准的含铁质平底锅测试,排除是锅具的问题。
- 查电流检测电路:这是最常见的原因。
- 检查电流互感器是否损坏。
- 检查电流互感器次级到整流、滤波电路再到MCU的线路是否开路或短路。
- 检查电流检测电阻(锰铜丝)是否虚焊或阻值变大。
- 查同步/振荡电路:如果同步信号丢失或异常,MCU会认为无锅或工作异常而报警,检查同步电路的电阻、电容是否变质。
故障现象三:功率低,加热慢
- 原因:PWM控制信号或功率转换电路未达到最佳状态。
- 排查步骤:
- 查电网电压:输入电压是否过低。
- 查电流检测电路:检测到的电流信号偏小,导致MCU误判,降低PWM占空比,同上,检查互感器、整流滤波电路。
- 查驱动电路:驱动电路输出信号不足,导致IGBT导通不完全,测量驱动芯片的输入和输出信号是否正常。
- 查PWM控制信号:MCU输出的PWM信号占空比是否随功率调节而正常变化。
故障现象四:开机后立即跳闸或烧保险
- 原因:主回路存在严重短路。
- 排查步骤:
- 静态测量:
- 断电,用万用表二极管档测量IGBT的C-E极、整流桥堆的交流输入端和直流输出端之间是否存在短路,如果短路,更换损坏的元件。
- 检查主滤波电容是否击穿。
- 动态测量(谨慎操作):
若静态测量无短路,可通电瞬间测量(需非常小心,或使用隔离变压器),如果一通电保险丝就烧,说明仍有动态短路点,可能是驱动电路异常导致IGBT持续导通。
- 静态测量:
故障现象五:开机后风扇不转
- 原因:风扇驱动或风扇本身故障。
- 排查步骤:
- 检查风扇是否卡死。
- 检查风扇供电电压(通常是+12V或+18V)是否正常。
- 检查风扇的驱动三极管是否损坏。
故障现象六:间歇性加热或保护
- 原因:元件热稳定性差或虚焊。
- 排查步骤:
- 查IGBT和热敏电阻:加热一段时间后保护,通常是IGBT或锅底热敏电阻性能不良,可以给它们吹风降温,看是否能恢复正常工作。
- 查虚焊:用电烙铁重新焊接 suspected 的焊点,如IGBT、线圈盘端子、功率电阻引脚等。
第三步:常用维修工具
- 万用表:必备,用于测量电压、电阻、通断。
- 示波器:高级工具,但非常有用,可以直观地看到PWM信号、同步信号、驱动波形等,是判断数字电路和模拟信号电路故障的利器。
- 电烙铁、吸锡器:用于拆焊元件。
- 螺丝刀、钳子:基础工具。
- 隔离变压器:维修安全首选,将设备与市电隔离,防止意外触电。
- 配件:备有常用的保险丝、IGBT、驱动芯片、整流桥堆、电阻、电容等。
总结与忠告
- 安全第一:电磁炉内部存在高压,非专业人员请勿轻易尝试维修,特别是涉及主电源和功率输出的部分。
- 先理论后实践:在动手维修前,务必弄懂原理,理解信号流程。
- 从简到繁:不要一上来就拆所有元件,按照流程一步步排查,先排除简单的、外围的故障。
- 替换法:对于怀疑性能不良的元件(如电容、IGBT),在条件允许的情况下,直接用同型号的好件替换,是最高效的方法。
- 善用图纸:找到对应型号的电磁炉电路图,事半功倍。
希望这份详细的指南能对你有所帮助!祝你维修顺利。
