您可以将OFDM理解为一项非常高效、智能的“高速公路”建设技术,它解决了在无线通信中高速数据传输的两大核心难题:多径效应和带宽效率。

为什么需要OFDM?—— 传统技术的瓶颈
在OFDM出现之前,移动通信主要使用一种叫做单载波传输的技术,想象一下,所有数据都挤在一条车道上行驶。
核心问题:多径效应
无线信号在传播时会遇到建筑物、山丘等障碍物,导致信号被反射、折射,形成多条不同路径的信号,最终在接收端叠加,这种现象就是多径效应。
- 对于单载波系统:多条路径的信号会互相干扰,导致接收端收到的信号变得模糊,产生码间干扰,尤其是在高速移动的场景下,这种干扰会非常严重,就像多条车道上的车挤在一条道上,容易发生“碰撞”(信号失真)。
- 解决方案:为了对抗码间干扰,单载波系统需要一个叫做均衡器的复杂模块,当数据速率越来越高、频带越来越宽时,这个均衡器会变得极其复杂和昂贵,几乎难以实现。
业界迫切需要一种新的技术来打破这个瓶颈。

OFDM是什么?—— 核心思想
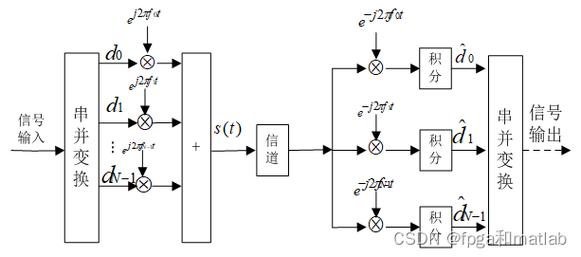
OFDM的核心理念是“化整为零”,它将一条高速的数据流,分解成N条并行的、低速的子数据流,然后将这些子数据流分别调制到N个相互正交的子载波上进行传输。
继续用“高速公路”的比喻:
- 传统单载波:所有车辆(数据)都挤在一条又宽又快的单车道上行驶,一旦发生拥堵(多径效应),就会造成严重事故。
- OFDM:我们把这条单车道,改造成了一条由N条又窄又慢的子车道组成的多车道高速公路,每条子车道上只跑一部分车辆(子数据流)。
OFDM的两大关键技术支柱:
子载波的正交性
这是OFDM的灵魂,所有子载波的频率间隔都经过精心设计,使得它们在频域上是正交的。

- 什么是正交? 互不干扰”,在一个符号周期内,任何两个不同子载波的波形乘积的积分结果为零。
- 带来的好处:
- 频谱效率极高:子载波之间可以“紧挨着”排列,中间不需要保护频带,最大限度地利用了宝贵的频谱资源,这是它区别于传统FDM(频分复用)的关键。
- 简化接收机:接收端只需要通过一个简单的积分(或相关运算)就能准确提取出特定子载波上的信号,而无需复杂的滤波器,大大降低了硬件复杂度。
循环前缀
这是OFDM能够有效对抗多径效应的“秘密武器”。
- 问题:尽管子载波之间是正交的,但多径效应仍然会破坏这种正交性,如果前一个符号的“尾巴”延迟后,落到了后一个符号的“头部”,就会造成载波间干扰。
- 解决方案:在发送OFDM符号之前,先将符号的末尾一小部分数据复制一份,放到最前面,形成一段“保护间隔”,这就是循环前缀。
继续用“高速公路”的比喻:
- 没有循环前缀:就像一辆很长的货车(OFDM符号)行驶在路上,后面的车(下一个符号)离得太近,当货车遇到颠簸(多径反射)导致车身变长时,就会撞到后面的车(ICI)。
- 加入循环前缀:我们在每辆货车前面都加了一个“防撞缓冲垫”(CP),即使货车因为颠簸而变长,这个缓冲垫也能吸收掉多余的长度,确保它不会撞到后面的车,接收端在处理时,会直接丢弃这个“缓冲垫”,从而恢复了符号之间的正交性。
OFDM在LTE中的具体应用与优势
在LTE系统中,OFDM技术主要应用在下行链路,而上行链路则使用了一种叫做SC-FDMA(Single-Carrier FDMA,单载波频分多址)的技术,可以看作是OFDM的“近亲”,SC-FDMA能降低终端的峰均比,从而节省终端的功耗。
OFDM为LTE带来的核心优势:
-
高效对抗多径衰落和频率选择性衰落
OFDM将宽带的频率选择性信道(即整个频带在某些频率点上衰落严重)分解成了多个并行的窄带平坦衰落信道(每个子载波信道衰落相对均匀),即使部分子载波因深衰落而丢失,也只是丢失了少量数据,可以通过纠错码来恢复,而不是像单载波那样导致整个数据包崩溃。
-
极高的频谱效率
子载波的正交性允许子载波之间无缝衔接,极大地提高了频谱利用率,使得LTE能够支持更高的数据速率。
-
灵活的带宽配置
LTE系统可以根据可用的频谱资源,灵活地配置OFDM的子载波数量,1.4MHz, 3MHz, 5MHz, 10MHz, 20MHz等不同带宽的系统,都可以通过调整子载波数量和子载波间隔来实现,这种灵活性是LTE能够全球部署的重要原因。
-
简化多用户资源调度
- 基站可以将不同的子载波或子载波组(称为Resource Block,资源块)动态地分配给不同的用户,哪个用户信道条件好,就把资源分配给谁,实现高效的链路自适应和资源调度,最大化系统吞吐量。
-
易于与MIMO(多输入多输出)技术结合
OFDM的子载波结构天然适合MIMO技术,基站和终端可以同时在多个子载波上进行多天线数据传输,极大地提升了系统容量和可靠性。
OFDM的挑战与在LTE中的权衡
OFDM并非完美无缺,它也存在一些固有的挑战,LTE系统也为此做了相应的权衡和优化。
-
对频率偏移敏感
- 由于子载波之间靠得很近,接收端和发射端的振荡器频率稍有偏差,或者终端高速移动引起的多普勒频移,都会破坏子载波间的正交性,导致性能下降。
- LTE的对策:设计了强大的同步机制和信道估计算法来补偿频率偏移。
-
较高的峰均比
- OFDM信号是多个独立子载波信号的叠加,在某些时刻,这些信号可能同相相加,形成一个瞬时功率远大于平均功率的“尖峰”,即高PAPR。
- 挑战:这要 求功率放大器具有很大的线性动态范围,否则会因非线性失真而产生频谱泄漏,降低系统性能,功率放大器的效率也会因此降低。
- LTE的对策:
- 下行:采用更高阶的调制方式(如64-QAM)时,会使用加扰技术来降低PAPR。
- 上行:为了降低终端(手机)的功耗和成本,采用了PAPR更低的SC-FDMA技术。
OFDM是LTE的基石性技术。 它通过“化整为零”和“循环前缀”这两大核心机制,成功解决了高速移动通信中的多径干扰和频谱效率问题,使得LTE能够实现高速率、低延迟、高带宽效率的目标,尽管它存在PAPR较高等挑战,但通过系统级的优化设计,这些问题得到了有效控制,为4G LTE的巨大成功奠定了坚实的基础,可以说,没有OFDM,就没有我们今天所熟知的4G高速移动网络。
