32s400a维修图纸是技术人员进行故障诊断和维修的重要参考资料,其包含了电视机的电路结构、元器件参数、信号流程等关键信息,能够帮助维修人员快速定位问题并进行针对性修复,以下将从维修图纸的组成、核心电路分析、常见故障排查流程及注意事项等方面进行详细阐述。

维修图纸的组成与核心内容
32s400a维修图纸通常包括多个模块,每个模块对应电视机的一个功能单元,主要组成如下:
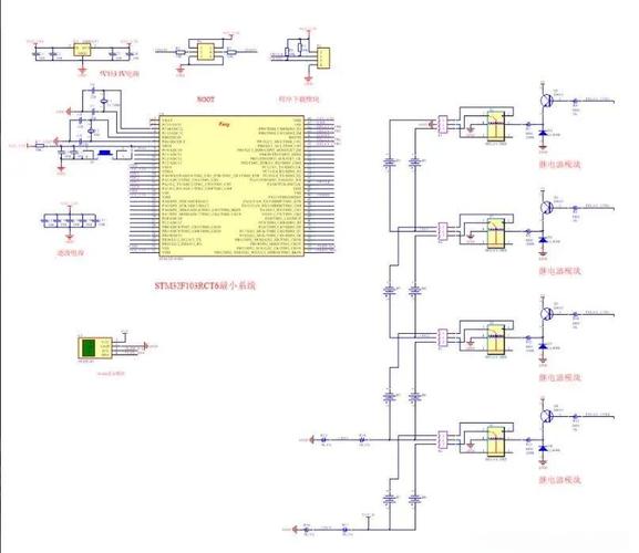
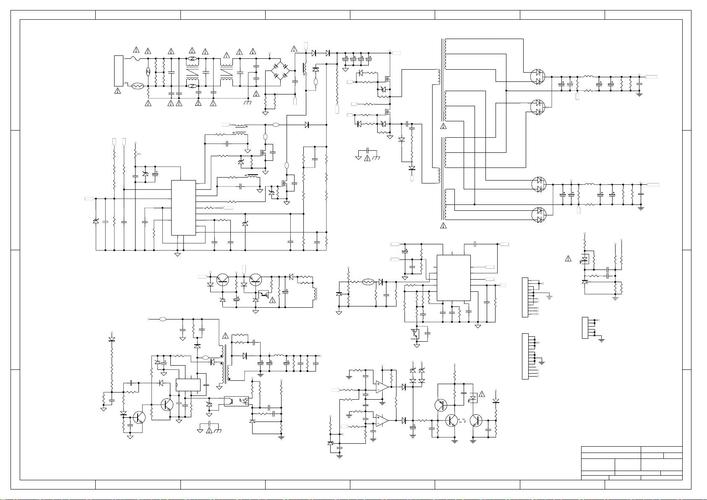
- 整机方框图:展示电视机各功能模块之间的连接关系,如高频调谐器、中频处理、解码、电源、伴音、行场扫描等模块的信号流向,帮助维修人员建立整体电路框架。
- 电路原理图:分为电源电路、主板电路、背光电路、按键/接口电路等,电源电路提供整机工作电压,主板电路负责信号处理和控制系统,背光电路驱动液晶屏显示。
- 元件位置图:标注各元器件在PCB板上的实际位置,便于快速找到损坏元件,如电容、电阻、IC芯片等。
- 波形与电压参数表:列出关键测试点的正常电压值和信号波形,如电源输出电压、CPU各引脚电压、行场输出波形等,是判断电路是否正常的重要依据。
- 故障代码表:部分机型通过指示灯闪烁或屏幕显示代码提示故障类型,对应故障代码表可快速定位故障范围。
核心电路分析
电源电路
电源电路是电视机的基础,通常采用AC-DC开关电源设计,将220V交流电转换为多路直流电压,32s400a的电源电路常见输出电压包括+12V(供主板和背光)、+5V(供CPU和接口电路)、+24V(供背光驱动)等,维修时需重点检查保险管、整流桥、开关管(如MOSFET)、PWM控制器(如UC384X系列)及反馈电路,若保险管熔断,需排查是否有短路元件,如整流桥、开关管击穿;若输出电压偏低,则需检查反馈电路或滤波电容是否失效。
主板电路
主板电路包括信号输入处理、视频解码、CPU控制及伴音输出等部分,高频调谐器接收电视信号后,经中频处理(如TDA988X系列)解调出音视频信号,再送入主芯片(如MSD6A80X系列)进行解码和格式转换,CPU通过I2C总线控制各模块工作,存储器(如24CXX)存储用户设置和程序数据,维修时需测量CPU供电(通常为+3.3V)和复位电压,检查晶振是否起振(正常频率为8MHz或12MHz),若出现无图像、无伴音,需检查信号输入端子是否接触良好,主芯片是否工作。
背光与显示电路
背光电路由背光驱动板(常集成在电源板或主板)和LED灯条组成,驱动板接收+12V或+24V电压,通过PWM信号控制LED灯条的亮度,常见故障包括背光不亮(多为驱动板损坏、LED灯条短路或开路)、屏幕闪烁(可能是驱动板供电不稳或PWM信号异常),维修时可测量LED灯条两端电压,若电压正常但灯条不亮,需逐个排查LED灯珠是否损坏。

常见故障排查流程
故障现象一:不开机(指示灯不亮)
- 检查电源输入:确认电源线是否插好,插座是否有电。
- 测量电源板输出:若保险管熔断,需更换同规格保险管并排查短路元件;若保险管完好,测量+12V、+5V输出电压是否正常。
- 检查主板供电:若电源板输出正常,但主板无供电,需检查电源板到主板的连接线是否松动,主板上的电源管理IC是否损坏。
故障现象二:有图像无伴音
- 检查伴音功放:测量伴音功放IC(如TDA7492)的供电电压(通常为+12V或+24V),若供电正常但无伴音,需检查功放IC是否损坏。
- 检查音频信号路径:用示波器测量主芯片音频输出端是否有波形,若无,则为主芯片或软件故障;若有波形但功放无输出,则检查耦合电容或功放IC。
故障现象三:背光不亮,但有图像
此类故障多为背光电路问题,首先测量背光驱动板供电电压是否正常,然后检查PWM信号(通常来自主板CPU,电压为0-5V变化),若供电和PWM信号正常,需更换背光驱动板或检查LED灯条。
维修注意事项
- 安全防护:维修前务必断开电源,对大容量电容(如电源滤波电容)进行放电,避免触电或元件损坏。
- 元件代换:更换元件时需注意参数一致,如电容的耐压值、容量,电阻的功率、阻值,IC的型号和封装。
- 静电防护:CMOS芯片易受静电损坏,维修时需佩戴防静电手环,避免直接触碰芯片引脚。
- 软件问题:若出现死机、功能异常等故障,可尝试恢复出厂设置或升级软件程序。
相关问答FAQs
Q1:32s400a电视机开机后指示灯闪烁,无法开机,如何排查?
A:指示灯闪烁通常为电源保护或负载短路导致,首先断开负载,测量电源板各路输出电压是否正常,若电压正常,则故障在主板;若电压异常或无输出,需检查电源板上的整流桥、开关管、PWM控制器等元件是否损坏,常见原因包括电源板滤波电容失效、主板短路导致电源保护启动。
Q2:32s400a电视机屏幕出现竖线或花屏,是什么原因?
A:竖线或花屏多为液晶屏驱动电路或屏线接触不良导致,首先检查屏线是否松动或氧化,若排除接触问题,则可能是液晶屏本身损坏(如驱动IC故障),若花屏伴随图像闪烁,可尝试重新刷写主芯片程序,排除软件故障,若以上方法无效,需更换液晶屏总成。

