晟辉智能制造

  • 东南菱致CD维修电路图哪里找?

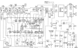
    东南菱致CD维修电路图哪里找?

    “东南菱致CD”通常指的是东南汽车菱致(V3菱悦)车型所搭载的车载音响/收音机系统,维修电路图并不是一个单独的“CD图纸”,而是指整个车辆电路图中与音响系统相关的部分,这些图纸通常包含在车辆的维修手册中,分为几个关键部分,我将为您...

    2025-12-15
    9 0 0
  • 1 / 1
  • 1