“维修图纸”通常不是一个单一的文件,它是一个集合,主要包括以下几个核心部分:

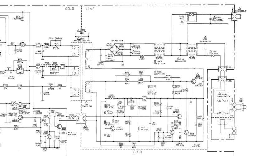
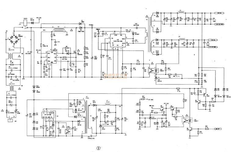
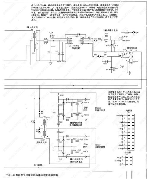
- 电路原理图:这是最核心的图纸,标明了电视上所有电子元器件(如芯片、电阻、电容、接口等)的型号、位置以及它们之间的电气连接关系,维修人员通过它来分析信号流程、查找故障点。
- PCB布局图/点位图:这是电路板实物上的“地图”,清晰地标示了每个元器件在电路板上的具体位置和焊接点,这对于快速定位和更换元件至关重要。
- 物料清单:列出了电视所用的所有元器件、结构件的型号、规格和数量,方便采购替换零件。
- 用户手册/维修手册:提供电视的基本操作、功能说明,以及针对常见故障的排查流程和维修指南。
关于创维 32L08RT 的图纸获取
由于创维官方通常不会直接向普通用户发布全套详细的维修图纸,这些资料主要授权给其官方售后服务中心和授权维修点,获取这些图纸的途径如下:
官方渠道(最可靠,但可能有限制)
-
创维官方售后服务:
- 电话:您可以拨打创维官方的售后服务热线(通常是 95105555 或 400-830-3355),根据语音提示转到技术支持或维修服务。
- 说明情况:向客服说明您的电视型号(32L08RT)和具体故障现象,并告知您需要维修图纸或技术手册。
- 获取方式:官方可能会根据您的具体情况,通过邮件发送给您部分必要的技术文件,或者指引您将电视送往最近的官方维修点,由维修工程师在维修时参考,直接索要全套完整图纸的成功率不高,但获取关键的技术文件或维修指南是可能的。
-
创维官方网站:
- 访问创维官网,找到“服务支持”或“售后服务”栏目。
- 输入您的电视型号(32L08RT),查找是否有相关的驱动程序、固件更新或说明书下载。维修图纸通常不会放在这里,但可以尝试查找是否有“技术文档”之类的链接。
第三方专业维修网站和论坛(最常用)
这是维修人员和非官方维修点获取图纸的主要途径,这些网站由爱好者或资深维修人员建立和分享资源。

-
电视维修图纸网站:
- 电视易修网:国内非常知名的电视维修资料网站,资源非常丰富,通常会按品牌和型号分类。
- 维修吧:一个大型的维修技术论坛,里面有大量的图纸、案例和技术讨论。
- 我爱维修网:同样是一个老牌的维修技术论坛,资料库也很庞大。
-
如何在这些网站查找:
- 访问上述网站,使用其站内搜索功能。
- 搜索关键词:
创维 32L08RT、Skyworth 32L08RT、L08RT、主板型号。 - 主板型号是关键:如果您能找到电视主板的型号(通常在主板背面贴有标签,印有如
5800-PH32L08RT-00或类似字样),用这个型号去搜索,成功率会高得多,因为同一型号电视的机芯方案和主板是通用的。
使用搜索引擎(有一定运气成分)
- Google 或百度高级搜索:
- 使用
filetype:pdf或filetype:doc等指令,专门搜索特定格式的文件。 - 搜索示例:
创维 32L08RT filetype:pdfSkyworth 32L08RT schematic diagram32L08RT BOM(BOM是物料清单的英文缩写)32L08RT 主板图
- 使用
创维 32L08RT 的公开信息(供参考)
根据公开资料,这款电视的一些关键信息如下,这些信息有助于您在查找图纸时缩小范围:
- 品牌:创维
- 型号:32L08RT
- 屏幕尺寸:32英寸
- 屏幕类型:LED
- 分辨率:1366 x 768 (HD)
- 背光技术:直下式LED
- 核心机芯方案:MS99A,这是一个非常关键的信息!
- 主板型号:常见型号为 5800-PH32L08RT-00 或类似,这是查找图纸的核心线索。
建议您直接搜索 创维 MS99A 机芯图纸 或 创维 5800-PH32L08RT-00 主板图纸,这样找到相关资料的几率会大大增加。

维修安全警告
如果您不具备专业的电子维修知识和技能,强烈不建议您自行拆机和维修,电视机内部存在高压,即使断电后,大容量的电容(如电源部分的滤波电容)中仍储存有足以致命的高压电。
- 安全第一:如果您不熟悉,请务必联系专业的维修人员。
- 断电操作:如果必须进行操作,请务必拔掉电源线,并等待一段时间(建议10-15分钟)让高压电容充分放电。
- 防静电:维修时请佩戴防静电手环,避免静电损坏精密的芯片。
- 记录:在拆卸前,用手机拍照记录下排线和元件的位置,以便正确复原。
希望以上信息能帮助您顺利找到所需的维修资料!祝您的电视早日修好。
