pwm逆变技术与应用是现代电力电子领域的核心内容之一,它通过控制电力电子器件的开关状态,将直流电转换为可调的交流电,广泛应用于新能源发电、电机驱动、不间断电源、电动汽车等众多领域,其核心在于通过脉宽调制(PWM)技术对输出电压的幅值和频率进行精确控制,从而实现对电能的高效、灵活变换。

PWM逆变技术的基本原理
PWM逆变技术的基础是电力电子开关器件(如IGBT、MOSFET、GTO等)的高速开关特性,通过控制这些器件的导通与关断时间,即脉冲的宽度(占空比),来等效模拟目标交流电压的波形,以单相桥式逆变电路为例,当直流电源通过全桥电路的四个开关器件(如T1-T4)以特定规律通断时,可在负载端得到一系列幅值等于直流电压的脉冲序列,通过调节脉冲的宽度(即占空比),可以改变输出脉冲电压的平均值,从而实现对输出电压幅值的控制;而通过改变脉冲的周期,则可以调节输出电压的频率。
PWM技术的关键在于调制方式,目前最常用的是正弦脉宽调制(SPWM),其目标是使输出脉冲序列的基波分量与正弦参考信号一致,SPWM的实现原理是通过比较高频的三角载波信号与低频的正弦调制波信号,当调制波幅值大于载波幅值时,对应输出高电平;反之输出低电平,这样得到的PWM脉冲序列,经过滤波后,其基波成分即为期望的正弦波,除了SPWM,还有空间矢量脉宽调制(SVPWM)、特定谐波消除PWM(SHEPWM)等,它们在特定应用场景下具有更高的效率或更好的性能,SVPWM在电机驱动中能够以较低的开关频率实现更高的电压利用率和更好的电流波形质量。
PWM逆变电路拓扑结构
PWM逆变电路的拓扑结构多种多样,根据输入电源类型、输出相数、功率等级等可分为不同类型,常见的拓扑结构包括:
- 单相半桥逆变电路:由两个开关器件和两个电容组成,结构简单,但输出电压幅值仅为直流电压的一半,适用于小功率场合。
- 单相全桥逆变电路:由四个开关器件组成,输出电压幅值可达到直流电压,输出功率较大,是中小功率单相逆变的主流拓扑。
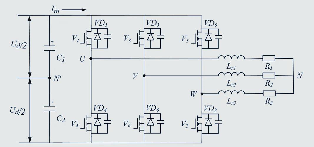
- 三相桥式逆变电路:由六个开关器件组成,是三相逆变电路的基础拓扑,广泛应用于交流电机驱动、并网逆变器等大功率场合,其通过控制六个开关器件的导通顺序和导通时间,可输出三相交流电压。
下表对比了几种常见逆变拓扑结构的特点:

| 拓扑结构 | 开关器件数量 | 输出电压幅值 | 主要优点 | 主要缺点 | 典型应用场景 |
|---|---|---|---|---|---|
| 单相半桥 | 2 | Udc/2 | 结构简单,成本低 | 输出电压低,利用率低 | 小功率单相电源 |
| 单相全桥 | 4 | Udc | 输出电压高,控制灵活 | 器件成本高,驱动复杂 | 中小功率UPS、变频器 |
| 三相桥式 | 6 | Udc | 功率大,三相平衡输出 | 控制复杂,成本高 | 大型电机驱动、并网逆变器 |
| 推挽逆变电路 | 2 | 2*Udc | 变比高,适合升压 | 变压器利用率低 | 高压小功率场合 |
| 全桥带隔离变压器 | 4+变压器 | 可调 | 电气隔离,安全性高 | 体积大,效率较低 | 医疗设备、特种电源 |
PWM逆变技术的关键控制策略
PWM逆变技术的性能很大程度上取决于其控制策略,常见的控制策略包括:
- 开环控制:根据预设的调制波信号生成PWM脉冲,无需反馈信号,结构简单,但动态响应差,抗干扰能力弱,适用于对精度要求不高的场合。
- 闭环控制:通过传感器检测输出电压或电流,与给定值比较,通过调节器(如PI、PID)调节调制波信号,实现输出量的稳定控制,闭环控制动态性能好,抗干扰能力强,是大多数应用的首选。
- 电压电流双闭环控制:外环为电压环,保证输出电压稳定;内环为电流环,限制输出电流,提高系统动态响应和稳定性,广泛应用于电机驱动和并网逆变器。
- 重复控制:针对周期性扰动,通过内模原理消除稳态误差,特别适合逆变器输出波形的谐波抑制。
- 模型预测控制(MPC):利用系统模型预测未来状态,通过优化算法选择最优开关状态,具有动态响应快、多目标控制能力强的优点,是近年来研究的热点。
PWM逆变技术的典型应用
- 新能源发电领域:在太阳能光伏发电中,PWM逆变器将光伏电池输出的直流电转换为与电网同频同相的交流电,实现并网发电,在风力发电中,PWM变流器用于控制风力发电机的转速和功率输出,实现最大风能捕获,并网逆变器通常采用电流控制型PWM技术,通过锁相环(PLL)跟踪电网电压相位,实现单位功率因数并网。
- 电机驱动领域:交流电机(如异步电机、永磁同步电机)调速系统的核心是PWM变频器,通过PWM逆变技术改变电机供电电压的频率和幅值,实现电机的宽范围、高效率调速,电动汽车中的电机控制器采用SVPWM技术,能够精确控制电机转矩,提高车辆的加速性能和能量效率。
- 不间断电源(UPS):UPS中的逆变器采用PWM技术,在市电中断时将蓄电池的直流电转换为稳定的交流电,为负载提供不间断供电,高质量的UPS逆变器通常采用多重PWM或三电平PWM技术,以减小输出谐波,提高供电质量。
- 电动汽车与充电桩:电动汽车的驱动电机由PWM逆变器控制,而车载充电机(OBC)和直流快充桩也大量采用PWM逆变技术,实现交流到直流的转换或直流到直流的变换。
- 感应加热与焊接:利用PWM逆变器产生高频交流电,通过谐振电路产生大电流,用于金属的感应加热和焊接,具有加热效率高、控制精确的优点。
PWM逆变技术的发展趋势
随着电力电子技术、控制理论和半导体材料的发展,PWM逆变技术呈现出以下趋势:一是高频化,采用碳化硅(SiC)、氮化镓(GaN)等宽禁带半导体器件,提高开关频率,减小无源元件体积和重量;二是高效化,通过优化拓扑结构和控制算法,降低开关损耗和导通损耗,提高系统效率;三是智能化,结合人工智能和数字信号处理器(DSP),实现自适应控制和故障诊断;四是集成化,将功率器件、驱动电路、控制电路集成于一体,提高功率密度和可靠性;五是并网化,随着新能源占比提高,多逆变器并联运行、虚拟同步发电机(VSG)技术等成为研究热点,以增强电网的稳定性和可靠性。
相关问答FAQs
问题1:PWM逆变技术中的SPWM和SVPWM有什么区别?各有什么优缺点?
解答:SPWM(正弦脉宽调制)和SVPWM(空间矢量脉宽调制)是两种常用的PWM技术,SPWM通过比较正弦调制波与三角载波生成PWM脉冲,其优点是原理简单,易于实现,输出波形谐波含量较低;缺点是直流电压利用率较低(最大为0.866),且在低调制比时谐波抑制能力较差,SVPWM则从电机磁链圆形轨迹出发,通过选择合适的电压矢量来合成期望的输出电压,其优点是直流电压利用率高(可达1.15倍于SPWM),开关损耗小,电流波形质量更好,动态响应快;缺点是算法相对复杂,对处理器性能要求较高,在电机驱动等高性能场合,SVPWM应用更为广泛。
问题2:PWM逆变技术在应用中面临的主要挑战有哪些?如何提高其效率和可靠性?
解答:PWM逆变技术面临的主要挑战包括:一是开关损耗与高频化之间的矛盾,提高开关频率可减小滤波器体积,但会增加开关损耗;二是电磁干扰(EMI)问题,高频开关会产生较强的电磁辐射,影响周边设备;三是散热问题,功率器件的损耗会产生热量,需要有效的散热措施;四是电网适应性问题,特别是在并网应用中,需要应对电网电压波动、谐波扰动等,提高效率和可靠性的方法包括:采用SiC、GaN等宽禁带半导体器件,降低导通和开关损耗;优化拓扑结构(如三电平、多电平逆变)和调制算法(如SHEPWM),减少谐波损耗;设计高效的散热系统(如液冷、热管);引入先进的控制策略(如模型预测控制、自适应控制)增强系统鲁棒性;采用集成化设计减少寄生参数,提高系统抗干扰能力。
