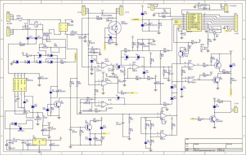
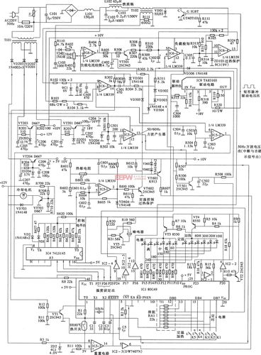
高效排查与核心电路解析

电磁炉作为现代厨房常用电器,其核心电路的稳定性直接影响使用体验,维修电磁炉时,需重点掌握功率输出、控制驱动、电源供应三大模块的电路原理及常见故障点,以下精选典型电路设计及维修要点,助力快速定位问题。
功率输出电路:IGBT与谐振电容的协同工作
功率输出电路是电磁炉的“动力核心”,由IGBT(绝缘栅双极型晶体管)、谐振电容(C3)、加热线圈盘(L1)组成,IGBT的导通与关断由PWM信号控制,通过电容与线圈的LC谐振产生高频电流,实现加热,常见故障包括IGBT击穿(多为驱动电压异常或电网浪涌导致)、谐振电容失效(容量减小会导致加热功率不足),维修时需用万用表检测IGBT的C-E极间电阻(正常时正向压降约0.5V,反向阻值无穷大),并用示波器观察PWM波形是否为规则的20-40kHz方波。
控制驱动电路:MCU与IGBT的桥梁
控制驱动电路以PWM驱动芯片(如TA8316S)为核心,接收MCU的指令后放大信号,驱动IGBT工作,需检查驱动电压(通常为18-20V)是否稳定,以及上拉/下拉电阻(如R10、R11)是否变值,若出现“不加热”但风扇运转的故障,重点排查驱动芯片输出端至IGBT基极的线路是否开路,或续流二极管(D5)是否击穿。
电源供应电路:多路电压的稳定输出
电源电路为整机提供工作电压,主要包括AC-DC转换(桥式整流+滤波)和DC-DC降压(如LM7805稳压5V供MCU,VIP12稳压18V供驱动),常见故障为滤波电容(C1)鼓包导致电压纹波过大,或稳压芯片发热异常(需检查负载是否短路),维修时需测量各路输出电压:300V主电压、18V驱动电压、5V逻辑电压,任一路异常均可能导致整机瘫痪。

保护电路:过压、过流与锅具检测
保护电路是电磁炉的安全屏障,包括过压保护(取样电阻R1、R2)、过流保护(电流互感器T1+整流桥)和锅具检测(检锅线圈+比较器),若频繁报“无锅”故障,需检锅线圈电容是否失容,或比较器(如LM339)基准电压是否偏移。
精选维修参数速查表
| 模块 | 关键元件 | 正常参数值 | 常见故障现象 |
|--------------|----------------|------------------|--------------------|
| 功率输出 | IGBT(C-E极) | 正向0.5V,反向∞ | 击穿导致保险熔断 |
| 控制驱动 | TA8316S输出 | 18V PWM方波 | 无波形,不加热 |
| 电源供应 | 滤波电容C1 | 容量≥220μF/400V | 鼓包,电压波动 |
| 保护电路 | 电流互感器T1 | 次级AC 0.1-0.3V | 过流误触发 |
相关问答FAQs
Q1:电磁炉开机后显示E0(无锅)但实际有锅,如何排查?
A:首先检查锅具材质(仅适用于含铁质锅具),其次用万用表测量检锅线圈两端电压(正常时AC 0.1-0.3V),若电压为0,需检锅线圈是否开路或谐振电容C3是否失效;若电压正常,则可能是比较器LM339损坏或基准电压偏移,需更换芯片或调整外围电阻。
Q2:电磁炉加热慢,功率不足,可能的原因有哪些?
A:常见原因包括:①IGBT导通电阻增大(需更换);②谐振电容C3容量衰减(用电容表测量,容量低于标称值80%需更换);③驱动电压偏低(检查18V供电电路,如整流桥或滤波电容);④电网电压过低(需用稳压器调整)。

