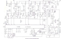
n9100维修电路图是技术人员进行故障诊断和维修的重要参考资料,它详细展示了设备内部各电子元件的连接关系、信号流向以及工作参数,为精准定位故障点提供了科学依据,在维修实践中,电路图的使用需要结合设备工作原理、故障现象以及检测工具进行综合分析,以下从电路图结构、常见故障模块及维修要点三个方面展开详细说明。
n9100电路图结构与核心模块解析
n9100设备的电路图通常由电源模块、主控模块、信号处理模块、接口模块及显示模块等部分组成,各模块之间通过总线或特定电路连接,协同完成设备功能,以常见电源模块为例,其电路图会清晰标注输入滤波电路、PWM控制器、功率开关管(如MOSFET)、整流二极管及滤波电容等元件的型号及参数,输入端AC220V经过桥式整流后转换为DC310V,再通过UC3842芯片驱动的开关变压器降压,经肖特基二极管整流、电容滤波后输出+5V、+12V等电压,维修时需重点检测PWM芯片的反馈引脚电压(通常为2.5V基准电压)及开关管漏极波形,若波形异常或无输出,需依次检查启动电阻、反馈光耦及负载是否短路。
主控模块电路图以CPU(如STM32系列)为核心,包含时钟电路(晶振频率 typically 8MHz/16MHz)、复位电路(复位电压阈值通常为3.3V)及存储电路(Flash、RAM型号及位宽),信号处理模块可能涉及运放电路(如LM358)和ADC转换器(如ADS1115),其电路图会标注信号输入/输出端子的阻抗匹配参数及滤波电容容值,接口模块(如RS232、USB、以太网)的电路图需关注电平转换芯片(如MAX232)的供电电压及数据线对地电阻,正常情况下数据线对地阻值应在50-150Ω之间。
常见故障模块的电路图分析与维修步骤
根据维修经验,n9100设备的高发故障集中在电源模块、主控模块及接口模块,以下结合电路图说明诊断流程:
电源模块故障
- 故障现象:设备无法开机,指示灯不亮。
- 电路图关键点:检测AC输入保险管是否熔断(通常为2A/250V),若熔断需排查整流桥及后级电路是否存在短路;保险管完好时,测量滤波电容两端电压(正常为DC310V),若无电压则检查市电输入线路及开关。
- 维修步骤:
- 使用万用表二极管档检测整流桥二极管及MOSFET是否击穿,记录短路元件型号并更换(如MOSFET型号IRF840,耐压500V)。
- 测量PWM芯片(如UC3842)第7脚VCC电压(正常值10-17V),若电压过低,检查启动电阻(如100kΩ/1W)是否变值。
- 检测输出端滤波电容是否鼓包或失容(用电容表测量ESR值,正常应小于0.1Ω),更换时需注意耐压及容值参数(如+12V输出端需选用16V/1000电解电容)。
主控模块故障
-
故障现象:设备开机后无显示,或按键无响应。
-
电路图关键点:测量CPU核心供电(3.3V)是否稳定,时钟晶振两端波形(用示波器测频率,幅度应≥1Vpp);复位电路检测第9脚RESET信号(低电平复位)。
-
维修步骤:
- 检查电源管理芯片(如AMS1117-3.3)输出电压,若偏低则测量输入端电压是否正常,排查电感及滤波电容。
- 用示波器检测CPU晶振起振情况,若无波形则更换晶振(注意负载电容匹配,通常为15-22pF)。
- 检查存储芯片(如W25Q64)的CS、CLK、MOSI、MISO线是否虚焊,用万用表测量对地阻值与正常值对比(参考下表):
信号线 正常对地阻值(黑表笔接地) 异常可能原因 VCC 0Ω(短路为滤波电容击穿) 电源短路 CS 10-20kΩ 虚焊或芯片损坏 CLK 15-25kΩ 上拉电阻开路 MOSI 12-22kΩ 线路断路
接口模块故障
- 故障现象:串口通信失败,数据传输错误。
- 电路图关键点:检测MAX232芯片VCC/+12V/-12V电压是否正常,数据线TXD/RXD电平是否转换(TTL电平0-3.3V,RS232电平±3V-±15V)。
- 维修步骤:
- 测量MAX232芯片供电端电压,若无-12V,检查电荷泵电容(如1μF)是否失效。
- 用示波器观察TXD、RXD波形,若波形畸变则检查匹配电阻(如120Ω)是否脱落。
- 检查接口端子是否氧化,可用酒精棉清洁后测量针脚与电路板连接导通性。
维修注意事项与工具使用
在使用n9100电路图进行维修时,需注意以下事项:维修前务必切断电源,大电容需放电处理,避免触电或元件损坏;更换元件时需确认型号、参数一致,特别是功率器件(如MOSFET、整流桥),需注意耐压、电流等极限参数;焊接时使用恒温烙铁(温度控制在350℃以内),避免静电损坏敏感芯片(如CMOS器件)。
必备工具包括:数字万用表(测电压、电阻、二极管)、示波器(测信号波形,带宽≥50MHz)、逻辑分析仪(测数字信号时序)、电烙铁(配焊台)及吸锡器,对于复杂故障,可结合电路图中的“信号流向图”分段检测,例如从输入端到输出端逐级测量信号幅度,快速定位故障模块。
相关问答FAQs
Q1:如何通过电路图判断n9100电源模块的负载是否短路?
A1:在电源模块电路图中,找到各路输出的“过流保护”检测点(通常为电流采样电阻,如0.1Ω/1W),测量采样电阻两端电压,正常工作时应有微小压降(如+12V输出端,电流1A时压降0.1V),若电压为0或采样电阻发热严重,说明后级负载存在短路,可依次断开负载分支(如断开+5V供电的显示模块),观察采样电阻电压是否恢复正常,逐步定位短路支路。
Q2:n9100主控模块CPU不工作的常见原因及排查方法?
A2:CPU不工作通常由供电异常、时钟故障或复位电路问题导致,排查步骤:①测量CPU核心供电引脚(如VDDA、VDD)电压,是否为3.3V且稳定;②用示波器检测晶振引脚,看是否有起振波形(频率为标称值,幅度≥0.8Vpp);③检查复位引脚(如NRST),开机时应出现低电平脉冲后恢复高电平,若供电正常但无时钟,需更换晶振及负载电容;若复位信号持续低电平,检查复位芯片(如IMP811)及周边阻容元件。
