掌握电工维修电路图纸的识读方法是高效排查故障、保障电气系统安全运行的核心技能,电路图纸作为电气系统的“语言”,通过 standardized symbols 和连接关系清晰表达了电路的结构、原理及各部件的功能,维修人员需结合理论知识和实践经验,遵循系统化的识读步骤,才能快速定位故障点,以下从图纸类型、符号识别、逻辑分析、实践验证等方面详细阐述电路图纸的识读方法。

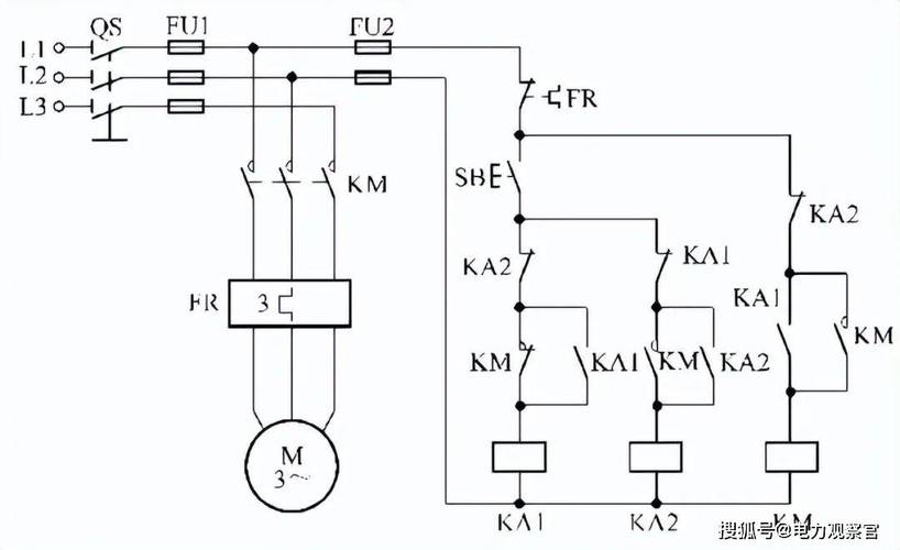
明确电路图纸的类型是识读的基础,电气图纸主要分为原理图、接线图、布置图和展开图等,原理图侧重于电路的工作逻辑,用符号表示各元器件及其连接关系,反映电流的流通路径和控制原理,是故障分析的核心依据;接线图则更注重实际接线,标明了元器件的相对位置、导线型号、规格及端子号,常用于现场接线检查和故障排查;布置图展示了电气设备在空间中的安装位置,有助于理解系统的物理布局;展开图按不同电源回路或功能模块分开绘制,便于逐级分析,维修时需根据故障类型选择合适的图纸,如控制逻辑异常优先查看原理图,接线故障则结合接线图和布置图。
熟练识别电气符号是识读图纸的前提,电路图中每个元器件、导线、连接点都有对应的图形符号和文字符号,需熟记常用符号的含义,断路器用QF表示,接触器用KM,继电器用KA,指示灯用HL,按钮用SB等;导线类型如BV表示铜芯聚氯乙烯绝缘线,YJV代表交联聚乙烯绝缘电力电缆;连接点则有端子排(XT)、接地符号(⊥)等,对于复杂图纸,还需理解符号的组合含义,如接触器的常开主触点、常闭辅助触点及线圈的位置关系,可通过查阅《电气图用图形符号》国家标准或图纸符号说明表,逐步积累符号库,避免因符号误解导致分析偏差。
分析电路的工作逻辑是识读的关键,识图时需遵循“先主后辅、先上后下、先左后右”的原则:先分析主电路(强电部分),了解用电设备的供电路径、控制方式及保护措施,例如电动机的主电路包含电源开关、接触器主触点、热继电器和电动机;再分析辅助电路(控制电路),理解控制信号的传递流程,如按钮如何通过接触器线圈控制电动机启停,继电器如何实现联锁保护,对于复杂控制电路,可将其拆解为基本单元(如启停控制、正反转控制、顺序控制等),结合元器件状态(如触点通断、线圈得电)动态分析电路动作过程,在电动机正反转控制电路中,需理解互锁触点如何防止电源短路,通过按钮操作和接触器状态变化分析电路的切换逻辑。
结合故障现象缩小分析范围是识读的核心目标,维修时需先向现场人员了解故障现象(如设备不启动、异响、跳闸等),再通过图纸对应定位相关电路区域,电动机不启动,应先检查主电路电源是否正常,再查看控制电路中熔断器、按钮、接触器线圈、热继电器等元器件的状态,可使用万用表、兆欧表等工具在图纸标注的测试点进行测量,对比正常值与实测值,判断故障点,若接触器线圈不得电,需从控制电源开始,依次检查常开按钮、常闭按钮、热继电器常闭触点、互锁触点等回路的通断情况,逐步缩小故障范围,对于PLC控制的系统,还需结合梯形图程序分析输入/输出信号的状态,判断是硬件故障还是程序逻辑问题。

注重图纸与实物的对应关系能提高维修效率,由于部分图纸可能存在更新滞后或设计误差,维修时需将图纸与实际设备对照,确认元器件型号、安装位置及接线正确性,图纸中标注的端子号是否与端子排实际一致,导线颜色是否与图示相符,辅助触点的常开/常闭状态是否与符号匹配,对于老旧设备,还需注意改造后的接线变更,避免完全依赖图纸导致误判。
实践经验的积累和总结是提升识图能力的重要途径,每次维修后,应记录故障原因、分析过程及解决方法,对比图纸理论与实际故障的差异,逐步深化对电路逻辑的理解,多参与不同类型设备的维修,熟悉各类电路的特点(如照明电路、动力控制电路、PLC控制电路等),不断丰富故障分析的案例库。
相关问答FAQs
Q1:如何快速识别电路图中不熟悉的电气符号?
A:识别不熟悉符号可分三步:首先查阅图纸的符号说明表或图例,部分图纸会在附页标注特殊符号;其次查阅国家标准《电气图用图形符号》(GB/T 4728),或通过电工手册、在线电气符号数据库查询;最后结合元器件在电路中的功能推断符号含义,例如若符号位于控制电源回路且有多对触点,可能是继电器或接触器,对于进口设备图纸,还需注意IEC标准与ANSI标准的差异,必要时通过设备手册确认。
Q2:电路图复杂时,如何理清控制逻辑?
A:理清复杂控制逻辑可采取以下方法:①分块法,将电路按功能拆解(如电源模块、信号输入模块、执行模块等),逐块分析;②追踪法,从输入信号(如按钮、传感器)开始,沿导线连接追踪到输出执行元件(如接触器、电磁阀),记录信号传递路径上的元器件状态变化;③绘制简图,在原图基础上简化非相关回路,用彩色笔标注关键节点或故障路径,突出核心逻辑;④动态模拟,在断电状态下模拟操作过程(如按下按钮),观察触点通断引起的连锁反应,辅助理解电路动作顺序,对于PLC控制系统,可结合I/O分配表和梯形图,对应输入/输出地址与实际元器件,进一步明确控制逻辑。

