在电子设备维修领域,电源模块的故障排查往往需要依赖详细的电路图作为指导,其中q0765r电源维修图因其涵盖的电路细节和关键参数标注,成为维修人员处理该型号电源故障的重要参考资料,q0765r电源通常为开关电源模块,广泛应用于工业控制、通信设备、医疗仪器等领域,其内部电路包含交流输入、整流滤波、PWM控制、功率变换、输出反馈保护等多个功能单元,维修图的准确性直接影响故障定位的效率和维修质量。

q0765r电源维修图的核心功能与结构解析
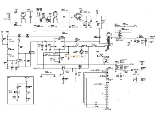
q0765r电源维修图是一份包含电气原理图、元件布局图、PCB走线图及关键测试点参数的综合技术文档,通过该图纸,维修人员可清晰了解电源模块的信号流向、元件间的连接关系及各电路模块的工作原理,以典型q0765r电源为例,其维修图通常按功能划分为以下几部分:
-
交流输入与EMI滤波电路
该部分包括保险丝、压敏电阻、共模电感、X电容和Y电容等元件,维修图中会标注各元件的型号、参数及耐压值,例如保险丝的额定电流(如3.15A/250V)、共模电感的电感量(如27mH)等,当电源出现无输入的故障时,需重点检查保险丝是否熔断、压敏电阻是否击穿,这些信息在维修图中均有明确对应。 -
整流滤波电路
由桥式整流堆(如GBU6J)和高压滤波电容(如400V/100μF)组成,维修图中会标明整流堆的引脚定义及滤波电容的容值、耐压参数,并标注测试点(如“+310V”直流电压)的正常电压范围,若此处电压异常,需进一步检查前级EMI电路或市电输入是否正常。 -
PWM控制与驱动电路
核心元件包括PWM控制器(如UC3845)、开关管(如MOSFET IRF840)及驱动变压器,维修图中会详细绘制UC3845的引脚功能(如1脚误差放大器补偿、8脚VCC供电)、反馈网络(如光耦PC817的连接方式)及开关管的驱动波形参数(如栅极驱动电压幅值、频率),当UC3845的8脚VCC电压低于16V时,电路无法启动,需检查启动电阻(如100kΩ)是否开路。
(图片来源网络,侵删) -
功率变换与输出整流电路
包含高频变压器(型号如ETD39)、次级整流二极管(如肖特基二极管SB5100)及滤波电感(如22μH),维修图中会标注变压器的匝数比、同名端位置,以及输出整流二极管的极性和正向压降(约0.3-0.5V),若输出电压偏低,需检测次级二极管是否正向电阻增大或滤波电容是否失效。 -
反馈保护电路
由电压反馈回路(如TL431精密基准源)、电流检测电阻(如0.1Ω/2W)及过压保护电路组成,维修图中会标明TL431的参考电压(2.5V)与输出电压的分压关系(如输出+5V时,分压电阻为10kΩ与2.2kΩ串联),以及电流检测电阻的安装位置和阻值,当电源输出纹波过大时,需检查反馈回路元件是否漂移或保护电路是否误动作。
基于维修图的故障排查流程
利用q0765r电源维修图进行故障维修时,需遵循“先断电后通电、先静态后动态、先输入后输出”的原则,具体步骤如下:
第一步:安全检查与初步测量
断开电源输入,用万用表电阻档检测输入端保险丝是否通断,桥式整流堆的正反向电阻是否正常(正常时正向电阻约几十千欧,反向电阻接近无穷大),若保险丝熔断,需进一步检查整流堆、开关管是否击穿,这些元件在维修图中均有明确标识,可通过对照PCB布局图快速定位。

第二步:通电测试关键电压
在确保无明显短路后,接入市电,用万用表测量各测试点电压,维修图中通常会标注以下关键电压值:
- 整流滤波输出端:约310V(220V输入时)
- PWM控制器VCC端:12-18V(启动后)
- 输出端:如+5V±5%、+12V±5%
若某处电压与图纸标注偏差过大,需结合电路原理分析故障范围,若310V电压正常但输出为0V,可能是PWM控制器未工作或开关管驱动电路故障。
第三步:功能模块逐级排查
当初步定位故障模块后,需对该模块进行详细检测,以PWM控制电路为例,维修图中会给出UC3845各引脚的正常电压(如2脚误差放大器反相端约2.5V,3脚电流检测端电压低于1V),若3脚电压过高,可能为开关管过流,需检查电流检测电阻是否变值或开关管是否短路。
第四步:元件替换与验证
对于可疑元件(如电解电容、光耦、PWM芯片),需通过替换法验证,维修图中标注的元件型号和参数是替换的重要依据,例如滤波电容需选用同容量、同耐压且低ESR的型号,PWM芯片需注意封装类型(如DIP-8或SO-8)和引脚定义。
常见故障维修案例与图纸应用
-
故障现象:电源无输出,保险丝熔断
根据维修图,重点检查桥式整流堆(GBU6J)、开关管(IRF840)及高压滤波电容(400V/100μF),用万用表二极管档检测整流堆是否短路,开关管G-S、D-S间是否击穿,若发现开关管击穿,需同时检查PWM控制器UC3845是否因过流损坏,维修图中UC3845的5脚(地)与7脚(输出)间可能并联的阻容元件(如RC缓冲电路)也需一并检测。 -
故障现象:输出电压纹波过大
维修图中输出滤波电路通常包含LC滤波网络(如电感22μH+电容470μF/16V),需检测电感是否饱和(直流电阻异常增大)或电容是否失效(ESR增大),反馈回路中的TL431和光耦PC817的线性度也会影响纹波,可通过替换法验证,图纸中TL431的阴极(K)到阳极(A)的电流正常值约为1-2mA。
维修注意事项
- 静电防护:PWM控制器和MOSFET对静电敏感,维修时需佩戴防静电手环,避免直接触碰引脚。
- 散热管理:功率元件(如开关管、整流二极管)工作时温度较高,维修后需检查散热片是否固定牢固,导热硅脂是否涂抹均匀。
- 参数核对:替换元件时,务必对照维修图中的参数(如电容容值、电阻功率),避免因参数不匹配导致二次故障。
相关问答FAQs
Q1:使用q0765r电源维修图时,如何判断高频变压器的匝数比是否正确?
A:在高频变压器的初级和次级绕组上,维修图通常会标注匝数(如初级100T,次级10T)或电压比(如10:1),维修时,可通过测量初级绕组直流电阻(如几欧姆)和次级绕组直流电阻(如零点几欧姆)进行初步判断,若电阻值与图纸标注偏差过大,可能存在匝间短路,在输入电压正常时,初级绕组两端应有约300V的直流电压,次级整流二极管负端应有对应的输出电压(如输入220V时,次级应输出约22V,经整流滤波后稳定在5V或12V),若电压比异常,需重点检查变压器是否损坏。
Q2:维修q0765r电源时,输出电压偏低且无法调节,应如何通过维修图排查?
A:输出电压偏低且无法调节通常与反馈电路或PWM控制电路有关,对照维修图中的反馈回路(如TL431分压电阻),测量输出电压经分压后是否加到TL431的参考端(R端),正常时R端电压应为2.5V,若R端电压偏低,检查分压电阻是否变值;若电压正常,则检测光耦PC817的发光二极管端电流(即TL431的K-A电流)是否正常(约1-2mA),若电流过小,可能为光耦老化或PWM控制器(如UC3842)的误差放大器输入端(2脚)电压异常,还需检查输出滤波电容是否失效,可通过测量其ESR或直接替换验证。
