晟辉智能制造

  • 海信TF2111H电源维修,故障点如何排查?

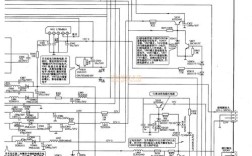
    海信TF2111H电源维修,故障点如何排查?

    维修CRT电视电源,需要具备一定的电子基础,包括认识元器件、会使用万用表,并了解基本的工作原理,请务必注意安全!CRT电视即使断电后,滤波电容中仍可能储存有高压电,触碰非常危险,下面我将为您详细梳理海信TF2111H电源的维修思路、常见故...

    2025-11-30
    12 0 0
  • 1 / 1
  • 1